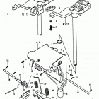
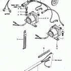
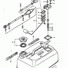
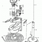
DT65 (1982)

Оригинальные запчасти для подвесных лодочных моторов Suzuki Marine

Выбор узла

DT65 (1982)