V-150 Work 4868998 THRU 0A904645 (Все)

Оригинальные запчасти для подвесных лодочных моторов Mercury

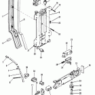
Выбор узла

V-150 Work 4868998 THRU 0A904645 (Все)