• О Компании
  • Оплата и Доставка
  • Помощь
  • Обратная связь
  • Контакты
  • Telegram
  • ВКонтакте
  • Telegram
  • ВКонтакте
  • Регистрация
  • Авторизация
Интернет магазин мотозапчастей PartsFor.ru
Москва и регионы России
  • Личный кабинет
    • Заказы
    • Оплаты
    • Отгрузки
    • Сообщения
    • Профиль
    • Выход
  • Оригинальные запчасти
    • Для мотоциклов
    • Yamaha
    • Honda
    • Suzuki
    • Kawasaki
    • Harley Davidson
    • Ducati
    • Can-Am
    • Aprilia
    • BMW
    • Triumph
    • Husaberg
    • Husqvarna
    • KTM
    • Indian
    • Victory
    • Slingshot
    • Для мотоциклов
    • Для квадроциклов
    • Для снегоходов
    • Для мотовездеходов
    • Для гидроциклов
    • Для лодочных моторов
    • Для катеров
    • Для судовых двигателей
    • Для генераторов
    • Для квадроциклов
    • Yamaha
    • Honda
    • Suzuki
    • Kawasaki
    • Arctic Cat
    • Can-Am
    • Polaris
    • KTM
    • Для снегоходов
    • Yamaha
    • Arctic Cat
    • Lynx
    • Ski-Doo
    • Polaris
    • Для генераторов
    • Для мотовездеходов
    • Yamaha
    • Honda
    • Suzuki
    • Kawasaki
    • Arctic Cat
    • Can-Am
    • Polaris
    • Polaris RZR
    • Для гидроциклов
    • Yamaha
    • Honda Marine
    • Kawasaki
    • Arctic Cat
    • Polaris
    • Sea-Doo
    • Для лодочных моторов
    • Для катеров
    • Для суд. двигателей
    • Для генераторов
    • Для лодочных моторов
    • Yamaha
    • Honda Marine
    • Suzuki Marine
    • Evinrude
    • Johnson
    • Nissan
    • Tohatsu
    • Mercury
    • Force
    • Mariner
    • Для катеров
    • Yamaha
    • Sea-Doo
    • Для суд. двигателей
    • Для спецтехники
  • Неоригинал, расходники
  • Заказ по каталогам
    • КАТАЛОГ PARTS UNLIMITED
  • Моторезина
  1. Главная
  2. Запчасти для лодочных моторов
  3. Mercury
  4. Все
  5. 500, 50 7068998 THRU 7143687

500, 50 7068998 THRU 7143687 (Все)

Оригинальные запчасти для подвесных лодочных моторов Mercury

Выбор узла

500, 50 7068998 THRU 7143687 (Все)
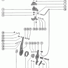
  • 500, 50 7068998 THRU 7143687 Нижняя часть капота
    Нижняя часть капота
  • 500, 50 7068998 THRU 7143687 Flywheel, ignition coil and switch box
    Flywheel, ignition coil and switch box
  • 500, 50 7068998 THRU 7143687 Карбюратор
    Карбюратор
  • 500, 50 7068998 THRU 7143687 Gear housing assembly, complete (serial group no. 6)(pag...
    Gear housing assembly, complete (serial group no. 6)(pag...
  • 500, 50 7068998 THRU 7143687 Carburetor linkage and choke solenoid
    Carburetor linkage and choke solenoid
  • 500, 50 7068998 THRU 7143687 Gear housing assembly, complete (serial group no. 6)(pag...
    Gear housing assembly, complete (serial group no. 6)(pag...
  • 500, 50 7068998 THRU 7143687 Кронштейн крепления двигателя в сборе
    Кронштейн крепления двигателя в сборе
  • 500, 50 7068998 THRU 7143687 Gear housing assembly, complete (serial group no. 7)(pag...
    Gear housing assembly, complete (serial group no. 7)(pag...
  • 500, 50 7068998 THRU 7143687 Gear housing assembly, complete (serial group no. 7)(pag...
    Gear housing assembly, complete (serial group no. 7)(pag...
  • 500, 50 7068998 THRU 7143687 Коленчатый вал,поршнь и шатун
    Коленчатый вал,поршнь и шатун
  • 500, 50 7068998 THRU 7143687 Oversize piston and ring
    Oversize piston and ring
  • 500, 50 7068998 THRU 7143687 Блок цилиндров
    Блок цилиндров
  • 500, 50 7068998 THRU 7143687 Корпус редуктора, вертикальный вал
    Корпус редуктора, вертикальный вал
  • 500, 50 7068998 THRU 7143687 Starter housing (manual)
    Starter housing (manual)
  • 500, 50 7068998 THRU 7143687 Электрика
    Электрика
  • 500, 50 7068998 THRU 7143687 Ручка рулевого управления в сборе
    Ручка рулевого управления в сборе
  • 500, 50 7068998 THRU 7143687 End caps, manifold and exhaust covers
    End caps, manifold and exhaust covers
  • 500, 50 7068998 THRU 7143687 Поворотный кронштейн в сборе
    Поворотный кронштейн в сборе
  • 500, 50 7068998 THRU 7143687 Exhaust extension plate and shift linkage
    Exhaust extension plate and shift linkage
  • 500, 50 7068998 THRU 7143687 Throttle control linkage and spark advance
    Throttle control linkage and spark advance
  • 500, 50 7068998 THRU 7143687 Top cowl assembly
    Top cowl assembly


  Информация
  • Новости
  • О Компании
  • Оплата и Доставка
  • Помощь
  • Обратная связь
  • Контакты
  OEM запчасти
  • Запчасти для мотоциклов
  • Запчасти для квадроциклов
  • Запчасти для снегоходов
  • Запчасти для мотовездеходов
  • Запчасти для гидроциклов
  • Запчасти для лодочных моторов
  Наши контакты
  • ИП Зуев Артем Павлович
  • г. Москва 2-я Хуторская улица, д.29, офис 214
  • Email: info@partsfor.ru

Тел: ‎8(495) 532-03-60
8(909) 958-46-33; 8(925) 200-16-98

* все разговоры записываются
С 10.00 до 19.00 ПН - ПТ

© 2026 Интернет магазин запчастей для мототехники ПартсФор.

  • PaymentGateway
  • PaymentGateway
Договор-оферта
Образец договора для юр.лиц
Пользовательское соглашение
Политика конфиденциальности

Товар добавлен в корзину

Выбранный товар добавлен в Вашу корзину.
Далее Вы можете перейти в корзину для оформления заказа или закрыть это окно и продолжить покупки.

Перейти в корзину

Выбор модели техники

Выбрать