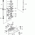
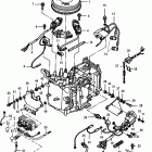
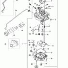
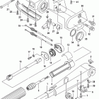
9.9 (4-STROKE)(209cc) 0R042475 & Up (Все)

Оригинальные запчасти для подвесных лодочных моторов Mariner

Выбор узла

9.9 (4-STROKE)(209cc) 0R042475 & Up (Все)