• О Компании
  • Оплата и Доставка
  • Помощь
  • Обратная связь
  • Контакты
  • Telegram
  • ВКонтакте
  • Telegram
  • ВКонтакте
  • Регистрация
  • Авторизация
Интернет магазин мотозапчастей PartsFor.ru
Москва и регионы России
  • Личный кабинет
    • Заказы
    • Оплаты
    • Отгрузки
    • Сообщения
    • Профиль
    • Выход
  • Оригинальные запчасти
    • Для мотоциклов
    • Yamaha
    • Honda
    • Suzuki
    • Kawasaki
    • Harley Davidson
    • Ducati
    • Can-Am
    • Aprilia
    • BMW
    • Triumph
    • Husaberg
    • Husqvarna
    • KTM
    • Indian
    • Victory
    • Slingshot
    • Для мотоциклов
    • Для квадроциклов
    • Для снегоходов
    • Для мотовездеходов
    • Для гидроциклов
    • Для лодочных моторов
    • Для катеров
    • Для судовых двигателей
    • Для генераторов
    • Для квадроциклов
    • Yamaha
    • Honda
    • Suzuki
    • Kawasaki
    • Arctic Cat
    • Can-Am
    • Polaris
    • KTM
    • Для снегоходов
    • Yamaha
    • Arctic Cat
    • Lynx
    • Ski-Doo
    • Polaris
    • Для генераторов
    • Для мотовездеходов
    • Yamaha
    • Honda
    • Suzuki
    • Kawasaki
    • Arctic Cat
    • Can-Am
    • Polaris
    • Polaris RZR
    • Для гидроциклов
    • Yamaha
    • Honda Marine
    • Kawasaki
    • Arctic Cat
    • Polaris
    • Sea-Doo
    • Для лодочных моторов
    • Для катеров
    • Для суд. двигателей
    • Для генераторов
    • Для лодочных моторов
    • Yamaha
    • Honda Marine
    • Suzuki Marine
    • Evinrude
    • Johnson
    • Nissan
    • Tohatsu
    • Mercury
    • Force
    • Mariner
    • Для катеров
    • Yamaha
    • Sea-Doo
    • Для суд. двигателей
    • Для спецтехники
  • Неоригинал, расходники
  • Заказ по каталогам
    • КАТАЛОГ PARTS UNLIMITED
  • Моторезина
  1. Главная
  2. Запчасти для лодочных моторов
  3. Honda Marine
  4. 8HP
  5. BF8D1 SRA

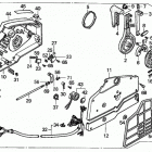
BF8D1 SRA (8HP)

Оригинальные запчасти для подвесных лодочных моторов Honda Marine

Выбор узла

BF8D1 SRA (8HP)
  • BF8D1 SRA Тросы
    Тросы
  • BF8D1 SRA Распределительный вал
    Распределительный вал
  • BF8D1 SRA Карбюратор
    Карбюратор
  • BF8D1 SRA Боковые крышки
    Боковые крышки
  • BF8D1 SRA Головка цилиндра
    Головка цилиндра
  • BF8D1 SRA Капот
    Капот
  • BF8D1 SRA Крышка выхлопной камеры
    Крышка выхлопной камеры
  • BF8D1 SRA Маховик
    Маховик
  • BF8D1 SRA Насос топливный
    Насос топливный
  • BF8D1 SRA Топливный бак
    Топливный бак
  • BF8D1 SRA Картер и удлиняющий кожух
    Картер и удлиняющий кожух
  • BF8D1 SRA Картер коробки передач в сборе (нога)
    Картер коробки передач в сборе (нога)
  • BF8D1 SRA Катушка зажигания
    Катушка зажигания
  • BF8D1 SRA Наклейки
    Наклейки
  • BF8D1 SRA Кожух глушителя
    Кожух глушителя
  • BF8D1 SRA Oil Case
    Oil Case
  • BF8D1 SRA Масляный насос
    Масляный насос
  • BF8D1 SRA Piston + Connecting Rod
    Piston + Connecting Rod
  • BF8D1 SRA Вал гребного винта  /  гребной винт
    Вал гребного винта / гребной винт
  • BF8D1 SRA Ручной стартер
    Ручной стартер
  • BF8D1 SRA Regulator + Starter Cable
    Regulator + Starter Cable
  • BF8D1 SRA Дистанционное управление
    Дистанционное управление
  • BF8D1 SRA Shift Shaft (remote Specification)
    Shift Shaft (remote Specification)
  • BF8D1 SRA Стартер
    Стартер
  • BF8D1 SRA Струбцина
    Струбцина
  • BF8D1 SRA Поворотный кронштейн,рычаг рулевого управления
    Поворотный кронштейн,рычаг рулевого управления
  • BF8D1 SRA Tachometer
    Tachometer
  • BF8D1 SRA Термостат
    Термостат
  • BF8D1 SRA Ремень ГРМ
    Ремень ГРМ
  • BF8D1 SRA Инструмент
    Инструмент
  • BF8D1 SRA Water Hose Joint
    Water Hose Joint
  • BF8D1 SRA Water Pump + Vertical Shaft (l, S Size)
    Water Pump + Vertical Shaft (l, S Size)
  • BF8D1 SRA Жгут проводов
    Жгут проводов


  Информация
  • Новости
  • О Компании
  • Оплата и Доставка
  • Помощь
  • Обратная связь
  • Контакты
  OEM запчасти
  • Запчасти для мотоциклов
  • Запчасти для квадроциклов
  • Запчасти для снегоходов
  • Запчасти для мотовездеходов
  • Запчасти для гидроциклов
  • Запчасти для лодочных моторов
  Наши контакты
  • ИП Зуев Артем Павлович
  • г. Москва 2-я Хуторская улица, д.29, офис 214
  • Email: info@partsfor.ru

Тел: ‎8(495) 532-03-60
8(909) 958-46-33; 8(925) 200-16-98

* все разговоры записываются
С 10.00 до 19.00 ПН - ПТ

© 2026 Интернет магазин запчастей для мототехники ПартсФор.

  • PaymentGateway
  • PaymentGateway
Договор-оферта
Образец договора для юр.лиц
Пользовательское соглашение
Политика конфиденциальности

Товар добавлен в корзину

Выбранный товар добавлен в Вашу корзину.
Далее Вы можете перейти в корзину для оформления заказа или закрыть это окно и продолжить покупки.

Перейти в корзину

Выбор модели техники

Выбрать