• О Компании
  • Оплата и Доставка
  • Помощь
  • Обратная связь
  • Контакты
  • Telegram
  • ВКонтакте
  • Telegram
  • ВКонтакте
  • Регистрация
  • Авторизация
Интернет магазин мотозапчастей PartsFor.ru
Москва и регионы России
  • Личный кабинет
    • Заказы
    • Оплаты
    • Отгрузки
    • Сообщения
    • Профиль
    • Выход
  • Оригинальные запчасти
    • Для мотоциклов
    • Yamaha
    • Honda
    • Suzuki
    • Kawasaki
    • Harley Davidson
    • Ducati
    • Can-Am
    • Aprilia
    • BMW
    • Triumph
    • Husaberg
    • Husqvarna
    • KTM
    • Indian
    • Victory
    • Slingshot
    • Для мотоциклов
    • Для квадроциклов
    • Для снегоходов
    • Для мотовездеходов
    • Для гидроциклов
    • Для лодочных моторов
    • Для катеров
    • Для судовых двигателей
    • Для генераторов
    • Для квадроциклов
    • Yamaha
    • Honda
    • Suzuki
    • Kawasaki
    • Arctic Cat
    • Can-Am
    • Polaris
    • KTM
    • Для снегоходов
    • Yamaha
    • Arctic Cat
    • Lynx
    • Ski-Doo
    • Polaris
    • Для генераторов
    • Для мотовездеходов
    • Yamaha
    • Honda
    • Suzuki
    • Kawasaki
    • Arctic Cat
    • Can-Am
    • Polaris
    • Polaris RZR
    • Для гидроциклов
    • Yamaha
    • Honda Marine
    • Kawasaki
    • Arctic Cat
    • Polaris
    • Sea-Doo
    • Для лодочных моторов
    • Для катеров
    • Для суд. двигателей
    • Для генераторов
    • Для лодочных моторов
    • Yamaha
    • Honda Marine
    • Suzuki Marine
    • Evinrude
    • Johnson
    • Nissan
    • Tohatsu
    • Mercury
    • Force
    • Mariner
    • Для катеров
    • Yamaha
    • Sea-Doo
    • Для суд. двигателей
    • Для спецтехники
  • Неоригинал, расходники
  • Заказ по каталогам
    • КАТАЛОГ PARTS UNLIMITED
  • Моторезина
  1. Главная
  2. Запчасти для лодочных моторов
  3. Honda Marine
  4. 75HP
  5. BF75Z SA

BF75Z SA (75HP)

Оригинальные запчасти для подвесных лодочных моторов Honda Marine

Выбор узла

BF75Z SA (75HP)
  • BF75Z SA Camshaft + Valve
    Camshaft + Valve
  • BF75Z SA INLET MANIFOLD + THERMOSTAT
    INLET MANIFOLD + THERMOSTAT
  • BF75Z SA SETTING FRAME + UPPER RUBBER SETTING
    SETTING FRAME + UPPER RUBBER SETTING
  • BF75Z SA Carburetor + Air Guide
    Carburetor + Air Guide
  • BF75Z SA Oil Case + Engine Cover
    Oil Case + Engine Cover
  • BF75Z SA Shift Shaft + Carrying Handle + Cover Lock Lever
    Shift Shaft + Carrying Handle + Cover Lock Lever
  • BF75Z SA Cylinder + Cylinder Head
    Cylinder + Cylinder Head
  • BF75Z SA OIL PUMP + OIL FILTER + MUFFLER
    OIL PUMP + OIL FILTER + MUFFLER
  • BF75Z SA STARTER CASE + CAM PULLEY + POINTS
    STARTER CASE + CAM PULLEY + POINTS
  • BF75Z SA Extension Case + Gear Case + Shift Rod
    Extension Case + Gear Case + Shift Rod
  • BF75Z SA PISTON & CRANKSHAFT
    PISTON & CRANKSHAFT
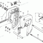
  • BF75Z SA Stern Bracket + Adjust Rod
    Stern Bracket + Adjust Rod
  • BF75Z SA FUEL PUMP
    FUEL PUMP
  • BF75Z SA Propeller Shaft + Propeller
    Propeller Shaft + Propeller
  • BF75Z SA Swivel Case + Swivel Shaft + Tilt Lever
    Swivel Case + Swivel Shaft + Tilt Lever
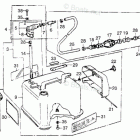
  • BF75Z SA Fuel Tank + Sub Tank
    Fuel Tank + Sub Tank
  • BF75Z SA RECOIL STARTER
    RECOIL STARTER
  • BF75Z SA Tools + Starter Rope
    Tools + Starter Rope
  • BF75Z SA Handlebar + Throttle Cable
    Handlebar + Throttle Cable
  • BF75Z SA REMOTE CONTROL
    REMOTE CONTROL
  • BF75Z SA WATER MOUTH + BODY COVER
    WATER MOUTH + BODY COVER
  • BF75Z SA Ignition Coil  /  Flywheel
    Ignition Coil / Flywheel
  • BF75Z SA Safety Switch + Vertical Starter
    Safety Switch + Vertical Starter
  • BF75Z SA Water Pump + Vertical Shaft
    Water Pump + Vertical Shaft


  Информация
  • Новости
  • О Компании
  • Оплата и Доставка
  • Помощь
  • Обратная связь
  • Контакты
  OEM запчасти
  • Запчасти для мотоциклов
  • Запчасти для квадроциклов
  • Запчасти для снегоходов
  • Запчасти для мотовездеходов
  • Запчасти для гидроциклов
  • Запчасти для лодочных моторов
  Наши контакты
  • ИП Зуев Артем Павлович
  • г. Москва 2-я Хуторская улица, д.29, офис 214
  • Email: info@partsfor.ru

Тел: ‎8(495) 532-03-60
8(909) 958-46-33; 8(925) 200-16-98

* все разговоры записываются
С 10.00 до 19.00 ПН - ПТ

© 2026 Интернет магазин запчастей для мототехники ПартсФор.

  • PaymentGateway
  • PaymentGateway
Договор-оферта
Образец договора для юр.лиц
Пользовательское соглашение
Политика конфиденциальности

Товар добавлен в корзину

Выбранный товар добавлен в Вашу корзину.
Далее Вы можете перейти в корзину для оформления заказа или закрыть это окно и продолжить покупки.

Перейти в корзину

Выбор модели техники

Выбрать