• О Компании
  • Оплата и Доставка
  • Помощь
  • Обратная связь
  • Контакты
  • Telegram
  • ВКонтакте
  • Telegram
  • ВКонтакте
  • Регистрация
  • Авторизация
Интернет магазин мотозапчастей PartsFor.ru
Москва и регионы России
  • Личный кабинет
    • Заказы
    • Оплаты
    • Отгрузки
    • Сообщения
    • Профиль
    • Выход
  • Оригинальные запчасти
    • Для мотоциклов
    • Yamaha
    • Honda
    • Suzuki
    • Kawasaki
    • Harley Davidson
    • Ducati
    • Can-Am
    • Aprilia
    • BMW
    • Triumph
    • Husaberg
    • Husqvarna
    • KTM
    • Indian
    • Victory
    • Slingshot
    • Для мотоциклов
    • Для квадроциклов
    • Для снегоходов
    • Для мотовездеходов
    • Для гидроциклов
    • Для лодочных моторов
    • Для катеров
    • Для судовых двигателей
    • Для генераторов
    • Для квадроциклов
    • Yamaha
    • Honda
    • Suzuki
    • Kawasaki
    • Arctic Cat
    • Can-Am
    • Polaris
    • KTM
    • Для снегоходов
    • Yamaha
    • Arctic Cat
    • Lynx
    • Ski-Doo
    • Polaris
    • Для генераторов
    • Для мотовездеходов
    • Yamaha
    • Honda
    • Suzuki
    • Kawasaki
    • Arctic Cat
    • Can-Am
    • Polaris
    • Polaris RZR
    • Для гидроциклов
    • Yamaha
    • Honda Marine
    • Kawasaki
    • Arctic Cat
    • Polaris
    • Sea-Doo
    • Для лодочных моторов
    • Для катеров
    • Для суд. двигателей
    • Для генераторов
    • Для лодочных моторов
    • Yamaha
    • Honda Marine
    • Suzuki Marine
    • Evinrude
    • Johnson
    • Nissan
    • Tohatsu
    • Mercury
    • Force
    • Mariner
    • Для катеров
    • Yamaha
    • Sea-Doo
    • Для суд. двигателей
    • Для спецтехники
  • Неоригинал, расходники
  • Заказ по каталогам
    • КАТАЛОГ PARTS UNLIMITED
  • Моторезина
  1. Главная
  2. Запчасти для лодочных моторов
  3. Honda Marine
  4. 4HP
  5. BF4AH SHNA

BF4AH SHNA (4HP)

Оригинальные запчасти для подвесных лодочных моторов Honda Marine

Выбор узла

BF4AH SHNA (4HP)
  • BF4AH SHNA CAMSHAFT
    CAMSHAFT
  • BF4AH SHNA FUEL CONNECTOR KIT
    FUEL CONNECTOR KIT
  • BF4AH SHNA RECOIL STARTER
    RECOIL STARTER
  • BF4AH SHNA CARBURETOR
    CARBURETOR
  • BF4AH SHNA FUEL PUMP
    FUEL PUMP
  • BF4AH SHNA Shift Shaft + Cover Lock Lever
    Shift Shaft + Cover Lock Lever
  • BF4AH SHNA Charge Receptacle Kit
    Charge Receptacle Kit
  • BF4AH SHNA Fuel Strainer
    Fuel Strainer
  • BF4AH SHNA Stern Bracket
    Stern Bracket
  • BF4AH SHNA Crankshaft Piston
    Crankshaft Piston
  • BF4AH SHNA FUEL TANK
    FUEL TANK
  • BF4AH SHNA Swivel Case + Mount Frame
    Swivel Case + Mount Frame
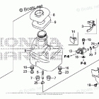
  • BF4AH SHNA Cylinder
    Cylinder
  • BF4AH SHNA Gear Case Assy.
    Gear Case Assy.
  • BF4AH SHNA TOOL + WATER HOSE JOINT
    TOOL + WATER HOSE JOINT
  • BF4AH SHNA CYLINDER HEAD
    CYLINDER HEAD
  • BF4AH SHNA Handlebar
    Handlebar
  • BF4AH SHNA Vertical Shaft
    Vertical Shaft
  • BF4AH SHNA ENGINE COVER
    ENGINE COVER
  • BF4AH SHNA Label
    Label
  • BF4AH SHNA Water Pump Impeller Kit
    Water Pump Impeller Kit
  • BF4AH SHNA Extension Case + Gear Case
    Extension Case + Gear Case
  • BF4AH SHNA OIL PAN
    OIL PAN
  • BF4AH SHNA Flywheel & Ignition Coil
    Flywheel & Ignition Coil
  • BF4AH SHNA Propeller Shaft + Propeller
    Propeller Shaft + Propeller


  Информация
  • Новости
  • О Компании
  • Оплата и Доставка
  • Помощь
  • Обратная связь
  • Контакты
  OEM запчасти
  • Запчасти для мотоциклов
  • Запчасти для квадроциклов
  • Запчасти для снегоходов
  • Запчасти для мотовездеходов
  • Запчасти для гидроциклов
  • Запчасти для лодочных моторов
  Наши контакты
  • ИП Зуев Артем Павлович
  • г. Москва 2-я Хуторская улица, д.29, офис 214
  • Email: info@partsfor.ru

Тел: ‎8(495) 532-03-60
8(909) 958-46-33; 8(925) 200-16-98

* все разговоры записываются
С 10.00 до 19.00 ПН - ПТ

© 2026 Интернет магазин запчастей для мототехники ПартсФор.

  • PaymentGateway
  • PaymentGateway
Договор-оферта
Образец договора для юр.лиц
Пользовательское соглашение
Политика конфиденциальности

Товар добавлен в корзину

Выбранный товар добавлен в Вашу корзину.
Далее Вы можете перейти в корзину для оформления заказа или закрыть это окно и продолжить покупки.

Перейти в корзину

Выбор модели техники

Выбрать