• О Компании
  • Оплата и Доставка
  • Помощь
  • Обратная связь
  • Контакты
  • Telegram
  • ВКонтакте
  • Telegram
  • ВКонтакте
  • Регистрация
  • Авторизация
Интернет магазин мотозапчастей PartsFor.ru
Москва и регионы России
  • Личный кабинет
    • Заказы
    • Оплаты
    • Отгрузки
    • Сообщения
    • Профиль
    • Выход
  • Оригинальные запчасти
    • Для мотоциклов
    • Yamaha
    • Honda
    • Suzuki
    • Kawasaki
    • Harley Davidson
    • Ducati
    • Can-Am
    • Aprilia
    • BMW
    • Triumph
    • Husaberg
    • Husqvarna
    • KTM
    • Indian
    • Victory
    • Slingshot
    • Для мотоциклов
    • Для квадроциклов
    • Для снегоходов
    • Для мотовездеходов
    • Для гидроциклов
    • Для лодочных моторов
    • Для катеров
    • Для судовых двигателей
    • Для генераторов
    • Для квадроциклов
    • Yamaha
    • Honda
    • Suzuki
    • Kawasaki
    • Arctic Cat
    • Can-Am
    • Polaris
    • KTM
    • Для снегоходов
    • Yamaha
    • Arctic Cat
    • Lynx
    • Ski-Doo
    • Polaris
    • Для генераторов
    • Для мотовездеходов
    • Yamaha
    • Honda
    • Suzuki
    • Kawasaki
    • Arctic Cat
    • Can-Am
    • Polaris
    • Polaris RZR
    • Для гидроциклов
    • Yamaha
    • Honda Marine
    • Kawasaki
    • Arctic Cat
    • Polaris
    • Sea-Doo
    • Для лодочных моторов
    • Для катеров
    • Для суд. двигателей
    • Для генераторов
    • Для лодочных моторов
    • Yamaha
    • Honda Marine
    • Suzuki Marine
    • Evinrude
    • Johnson
    • Nissan
    • Tohatsu
    • Mercury
    • Force
    • Mariner
    • Для катеров
    • Yamaha
    • Sea-Doo
    • Для суд. двигателей
    • Для спецтехники
  • Неоригинал, расходники
  • Заказ по каталогам
    • КАТАЛОГ PARTS UNLIMITED
  • Моторезина
  1. Главная
  2. Запчасти для лодочных моторов
  3. Force
  4. 1996
  5. H009211SD

H009211SD (1996)

Оригинальные запчасти для подвесных лодочных моторов Force

Выбор узла

H009211SD (1996)
  • H009211SD Carburetor (15 Hp Model) (1300-852550t & 852550a1)
    Carburetor (15 Hp Model) (1300-852550t & 852550a1)
  • H009211SD Carburetor (15 Hp Model) (1300-f715061-1)
    Carburetor (15 Hp Model) (1300-f715061-1)
  • H009211SD Carburetor (9.9 Hp Model) (1300-852406t)
    Carburetor (9.9 Hp Model) (1300-852406t)
  • H009211SD Carburetor (9.9 Hp Model) (1300-f714061)
    Carburetor (9.9 Hp Model) (1300-f714061)
  • H009211SD Clamp Brackets (serial # 0e127700 Thru 0e143887)
    Clamp Brackets (serial # 0e127700 Thru 0e143887)
  • H009211SD Clamp Brackets (serial # 0e143888 Thru 0e287999)
    Clamp Brackets (serial # 0e143888 Thru 0e287999)
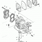
  • H009211SD Cowl Assembly - Top And Bottom
    Cowl Assembly - Top And Bottom
  • H009211SD Коленвал и поршни
    Коленвал и поршни
  • H009211SD Cylinder Block Assembly
    Cylinder Block Assembly
  • H009211SD Fuel And Recirculation System
    Fuel And Recirculation System
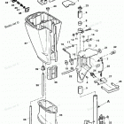
  • H009211SD Fuel Tank And Line Assembly (plastic - 3.2 Gallon)
    Fuel Tank And Line Assembly (plastic - 3.2 Gallon)
  • H009211SD Fuel Tank And Line Assembly (plastic - 6.6 Gallon)
    Fuel Tank And Line Assembly (plastic - 6.6 Gallon)
  • H009211SD Корпус редуктора
    Корпус редуктора
  • H009211SD Система зажигания
    Система зажигания
  • H009211SD Literature & Paint
    Literature & Paint
  • H009211SD Remote Control Linkage
    Remote Control Linkage
  • H009211SD Вал переключения
    Вал переключения
  • H009211SD Starter Components
    Starter Components
  • H009211SD Steering Handle-twist Grip Throttle
    Steering Handle-twist Grip Throttle
  • H009211SD Swivel Bracket And Driveshaft Housing
    Swivel Bracket And Driveshaft Housing
  • H009211SD Tools - Special
    Tools - Special


  Информация
  • Новости
  • О Компании
  • Оплата и Доставка
  • Помощь
  • Обратная связь
  • Контакты
  OEM запчасти
  • Запчасти для мотоциклов
  • Запчасти для квадроциклов
  • Запчасти для снегоходов
  • Запчасти для мотовездеходов
  • Запчасти для гидроциклов
  • Запчасти для лодочных моторов
  Наши контакты
  • ИП Зуев Артем Павлович
  • г. Москва 2-я Хуторская улица, д.29, офис 214
  • Email: info@partsfor.ru

Тел: ‎8(495) 532-03-60
8(909) 958-46-33; 8(925) 200-16-98

* все разговоры записываются
С 10.00 до 19.00 ПН - ПТ

© 2026 Интернет магазин запчастей для мототехники ПартсФор.

  • PaymentGateway
  • PaymentGateway
Договор-оферта
Образец договора для юр.лиц
Пользовательское соглашение
Политика конфиденциальности

Товар добавлен в корзину

Выбранный товар добавлен в Вашу корзину.
Далее Вы можете перейти в корзину для оформления заказа или закрыть это окно и продолжить покупки.

Перейти в корзину

Выбор модели техники

Выбрать