• О Компании
  • Оплата и Доставка
  • Помощь
  • Обратная связь
  • Контакты
  • Telegram
  • ВКонтакте
  • Telegram
  • ВКонтакте
  • Регистрация
  • Авторизация
Интернет магазин мотозапчастей PartsFor.ru
Москва и регионы России
  • Личный кабинет
    • Заказы
    • Оплаты
    • Отгрузки
    • Сообщения
    • Профиль
    • Выход
  • Оригинальные запчасти
    • Для мотоциклов
    • Yamaha
    • Honda
    • Suzuki
    • Kawasaki
    • Harley Davidson
    • Ducati
    • Can-Am
    • Aprilia
    • BMW
    • Triumph
    • Husaberg
    • Husqvarna
    • KTM
    • Indian
    • Victory
    • Slingshot
    • Для мотоциклов
    • Для квадроциклов
    • Для снегоходов
    • Для мотовездеходов
    • Для гидроциклов
    • Для лодочных моторов
    • Для катеров
    • Для судовых двигателей
    • Для генераторов
    • Для квадроциклов
    • Yamaha
    • Honda
    • Suzuki
    • Kawasaki
    • Arctic Cat
    • Can-Am
    • Polaris
    • KTM
    • Для снегоходов
    • Yamaha
    • Arctic Cat
    • Lynx
    • Ski-Doo
    • Polaris
    • Для генераторов
    • Для мотовездеходов
    • Yamaha
    • Honda
    • Suzuki
    • Kawasaki
    • Arctic Cat
    • Can-Am
    • Polaris
    • Polaris RZR
    • Для гидроциклов
    • Yamaha
    • Honda Marine
    • Kawasaki
    • Arctic Cat
    • Polaris
    • Sea-Doo
    • Для лодочных моторов
    • Для катеров
    • Для суд. двигателей
    • Для генераторов
    • Для лодочных моторов
    • Yamaha
    • Honda Marine
    • Suzuki Marine
    • Evinrude
    • Johnson
    • Nissan
    • Tohatsu
    • Mercury
    • Force
    • Mariner
    • Для катеров
    • Yamaha
    • Sea-Doo
    • Для суд. двигателей
    • Для спецтехники
  • Неоригинал, расходники
  • Заказ по каталогам
    • КАТАЛОГ PARTS UNLIMITED
  • Моторезина
  1. Главная
  2. Запчасти для лодочных моторов
  3. Force
  4. 1995
  5. H090422RX

H090422RX (1995)

Оригинальные запчасти для подвесных лодочных моторов Force

Выбор узла

H090422RX (1995)
  • H090422RX Adapter Plate - Upper
    Adapter Plate - Upper
  • H090422RX Карбюратор
    Карбюратор
  • H090422RX Cowl Assembly-bottom
    Cowl Assembly-bottom
  • H090422RX Cowl Assembly-top
    Cowl Assembly-top
  • H090422RX Коленвал и поршни
    Коленвал и поршни
  • H090422RX Блок цилиндров
    Блок цилиндров
  • H090422RX Корпус вертикального вала
    Корпус вертикального вала
  • H090422RX Электрика
    Электрика
  • H090422RX Выпускная плита
    Выпускная плита
  • H090422RX Топливный насос
    Топливный насос
  • H090422RX Fuel Tank And Line (plastic - 6.6 Gallon)
    Fuel Tank And Line (plastic - 6.6 Gallon)
  • H090422RX Gear Housing (driveshaft)
    Gear Housing (driveshaft)
  • H090422RX Корпус редуктора , гребной вал
    Корпус редуктора , гребной вал
  • H090422RX Зажигание
    Зажигание
  • H090422RX Intake Cover-throttle Linkage
    Intake Cover-throttle Linkage
  • H090422RX Miscellaneous Engine Parts
    Miscellaneous Engine Parts
  • H090422RX Компоненты механизма гидроподъема Power Trim
    Компоненты механизма гидроподъема Power Trim
  • H090422RX Reed Plate And Recirculation System
    Reed Plate And Recirculation System
  • H090422RX Стартер
    Стартер
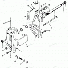
  • H090422RX Поворотный кронштейн и рычаг рулевого управления
    Поворотный кронштейн и рычаг рулевого управления
  • H090422RX Tools - Special
    Tools - Special
  • H090422RX Towershaft And Throttle Linkage
    Towershaft And Throttle Linkage
  • H090422RX Кронштейн крепления к транцу
    Кронштейн крепления к транцу


  Информация
  • Новости
  • О Компании
  • Оплата и Доставка
  • Помощь
  • Обратная связь
  • Контакты
  OEM запчасти
  • Запчасти для мотоциклов
  • Запчасти для квадроциклов
  • Запчасти для снегоходов
  • Запчасти для мотовездеходов
  • Запчасти для гидроциклов
  • Запчасти для лодочных моторов
  Наши контакты
  • ИП Зуев Артем Павлович
  • г. Москва 2-я Хуторская улица, д.29, офис 214
  • Email: info@partsfor.ru

Тел: ‎8(495) 532-03-60
8(909) 958-46-33; 8(925) 200-16-98

* все разговоры записываются
С 10.00 до 19.00 ПН - ПТ

© 2026 Интернет магазин запчастей для мототехники ПартсФор.

  • PaymentGateway
  • PaymentGateway
Договор-оферта
Образец договора для юр.лиц
Пользовательское соглашение
Политика конфиденциальности

Товар добавлен в корзину

Выбранный товар добавлен в Вашу корзину.
Далее Вы можете перейти в корзину для оформления заказа или закрыть это окно и продолжить покупки.

Перейти в корзину

Выбор модели техники

Выбрать