• О Компании
  • Оплата и Доставка
  • Помощь
  • Обратная связь
  • Контакты
  • Telegram
  • ВКонтакте
  • Telegram
  • ВКонтакте
  • Регистрация
  • Авторизация
Интернет магазин мотозапчастей PartsFor.ru
Москва и регионы России
  • Личный кабинет
    • Заказы
    • Оплаты
    • Отгрузки
    • Сообщения
    • Профиль
    • Выход
  • Оригинальные запчасти
    • Для мотоциклов
    • Yamaha
    • Honda
    • Suzuki
    • Kawasaki
    • Harley Davidson
    • Ducati
    • Can-Am
    • Aprilia
    • BMW
    • Triumph
    • Husaberg
    • Husqvarna
    • KTM
    • Indian
    • Victory
    • Slingshot
    • Для мотоциклов
    • Для квадроциклов
    • Для снегоходов
    • Для мотовездеходов
    • Для гидроциклов
    • Для лодочных моторов
    • Для катеров
    • Для судовых двигателей
    • Для генераторов
    • Для квадроциклов
    • Yamaha
    • Honda
    • Suzuki
    • Kawasaki
    • Arctic Cat
    • Can-Am
    • Polaris
    • KTM
    • Для снегоходов
    • Yamaha
    • Arctic Cat
    • Lynx
    • Ski-Doo
    • Polaris
    • Для генераторов
    • Для мотовездеходов
    • Yamaha
    • Honda
    • Suzuki
    • Kawasaki
    • Arctic Cat
    • Can-Am
    • Polaris
    • Polaris RZR
    • Для гидроциклов
    • Yamaha
    • Honda Marine
    • Kawasaki
    • Arctic Cat
    • Polaris
    • Sea-Doo
    • Для лодочных моторов
    • Для катеров
    • Для суд. двигателей
    • Для генераторов
    • Для лодочных моторов
    • Yamaha
    • Honda Marine
    • Suzuki Marine
    • Evinrude
    • Johnson
    • Nissan
    • Tohatsu
    • Mercury
    • Force
    • Mariner
    • Для катеров
    • Yamaha
    • Sea-Doo
    • Для суд. двигателей
    • Для спецтехники
  • Неоригинал, расходники
  • Заказ по каталогам
    • КАТАЛОГ PARTS UNLIMITED
  • Моторезина
  1. Главная
  2. Запчасти для лодочных моторов
  3. Force
  4. 1995
  5. H050312RR

H050312RR (1995)

Оригинальные запчасти для подвесных лодочных моторов Force

Выбор узла

H050312RR (1995)
  • H050312RR Adaptor Plate - Upper
    Adaptor Plate - Upper
  • H050312RR Нижняя часть колпака
    Нижняя часть колпака
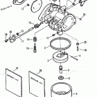
  • H050312RR Carburetor - 40 H.p.
    Carburetor - 40 H.p.
  • H050312RR Carburetor - 50 H.p.
    Carburetor - 50 H.p.
  • H050312RR Кронштейн транца
    Кронштейн транца
  • H050312RR Коленвал и поршни
    Коленвал и поршни
  • H050312RR Блок цилиндров
    Блок цилиндров
  • H050312RR Корпус вертикального вала
    Корпус вертикального вала
  • H050312RR Электрика
    Электрика
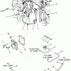
  • H050312RR Топливный насос
    Топливный насос
  • H050312RR Fuel Tank And Line (plastic - 6.6 Gallon)
    Fuel Tank And Line (plastic - 6.6 Gallon)
  • H050312RR Gear Housing (driveshaft)
    Gear Housing (driveshaft)
  • H050312RR Корпус редуктора , гребной вал
    Корпус редуктора , гребной вал
  • H050312RR Ignition Componenets
    Ignition Componenets
  • H050312RR Miscellaneous Engine Parts
    Miscellaneous Engine Parts
  • H050312RR Power Trim  Assembly
    Power Trim Assembly
  • H050312RR Крепление механизма гидроподъема Power Trim
    Крепление механизма гидроподъема Power Trim
  • H050312RR Recirculaton And Prime System
    Recirculaton And Prime System
  • H050312RR Reed Plate And Adapter Flange
    Reed Plate And Adapter Flange
  • H050312RR Shift Throttle Linkage
    Shift Throttle Linkage
  • H050312RR Стартер
    Стартер
  • H050312RR Поворотный кронштейн
    Поворотный кронштейн
  • H050312RR Swivel Tube
    Swivel Tube
  • H050312RR Tools - Special
    Tools - Special
  • H050312RR Верхняя часть колпака
    Верхняя часть колпака


  Информация
  • Новости
  • О Компании
  • Оплата и Доставка
  • Помощь
  • Обратная связь
  • Контакты
  OEM запчасти
  • Запчасти для мотоциклов
  • Запчасти для квадроциклов
  • Запчасти для снегоходов
  • Запчасти для мотовездеходов
  • Запчасти для гидроциклов
  • Запчасти для лодочных моторов
  Наши контакты
  • ИП Зуев Артем Павлович
  • г. Москва 2-я Хуторская улица, д.29, офис 214
  • Email: info@partsfor.ru

Тел: ‎8(495) 532-03-60
8(909) 958-46-33; 8(925) 200-16-98

* все разговоры записываются
С 10.00 до 19.00 ПН - ПТ

© 2026 Интернет магазин запчастей для мототехники ПартсФор.

  • PaymentGateway
  • PaymentGateway
Договор-оферта
Образец договора для юр.лиц
Пользовательское соглашение
Политика конфиденциальности

Товар добавлен в корзину

Выбранный товар добавлен в Вашу корзину.
Далее Вы можете перейти в корзину для оформления заказа или закрыть это окно и продолжить покупки.

Перейти в корзину

Выбор модели техники

Выбрать