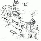
H090422PE (1994)

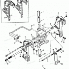
Оригинальные запчасти для подвесных лодочных моторов Force

Выбор узла

H090422PE (1994)