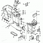
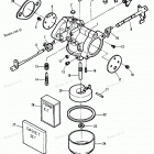
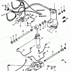
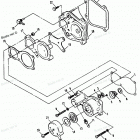
H090412PE (1994)

Оригинальные запчасти для подвесных лодочных моторов Force

Выбор узла

H090412PE (1994)