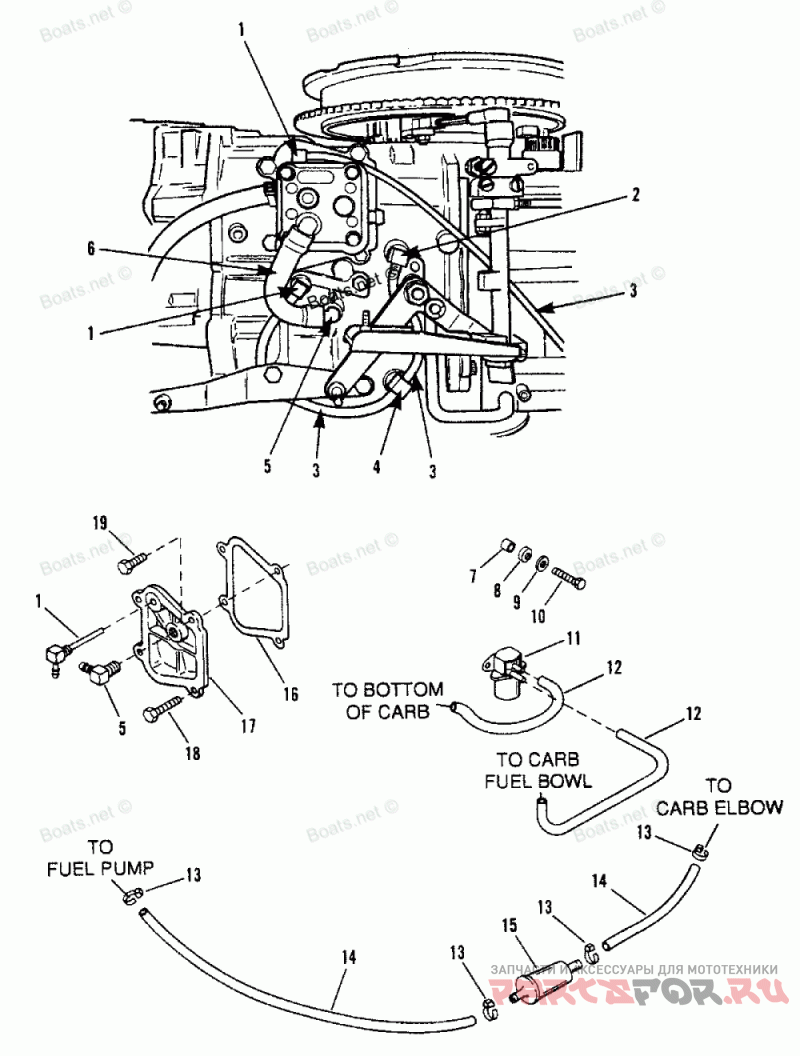
Recirculation And Prime System (92c) E065372,e093699

Force H040412PE

Force
#oem кодцена
1
F743314
Колено
2
42864
Деталь FITTING (90 DEG.)
4
820706
Деталь FITTING (T)
5
99664
Колено
7
F694359
Проставка
8
F694504
Уплотнитель резиновый
9
35044
Шайба
10
86885
Деталь SCREW (1/4-20 X 1-1/2")
11
819503
Деталь SOLENOID, PRIMER
13
816311
Деталь CABLE TIE (8")
15
816296
Фильтр топливный
16
820500
Деталь GASKET, TRANSFER PORT
17
817790A1
Деталь COVER KIT, TRANSFER PORT
18
49668
Деталь SCREW (1/4-20 X 3/4")
19
98254
Деталь SCREW (1/4-20 X 5/8")
-
819445A14
Деталь POWERHEAD ASSEMBLY
-
820722A1
Деталь POWERHEAD GASKET SET