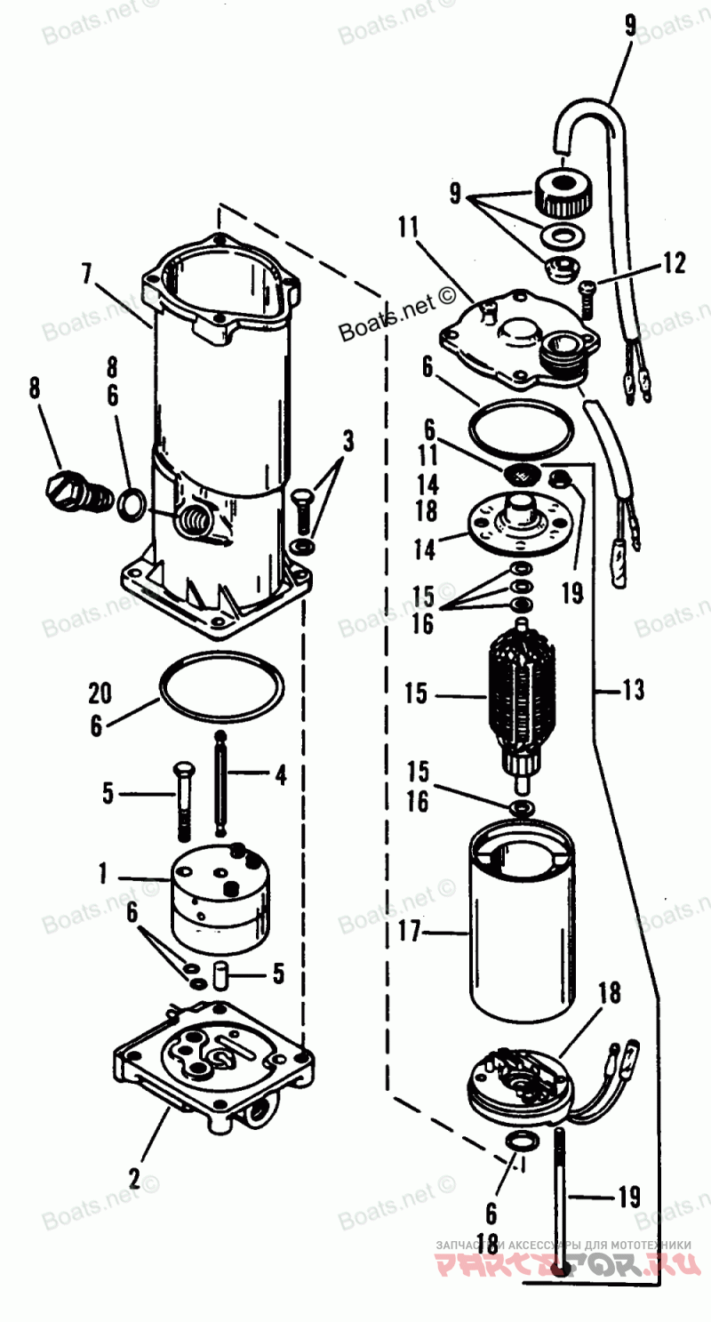
Pump-motor Kit

Force H070412NE

Force
#oem кодцена
--
819479A1
Деталь PUMP/MOTOR KIT
1
823084
Деталь PUMP KIT
2
823083
Деталь MANIFOLD KIT
3
813436
Деталь SCREW AND WASHER KIT (4 pcs Each)
4
813437
Деталь DRIVE SHAFT
5
811697
Деталь SCREW/DOWEL PIN KIT
6
813439A2
Комплект сальников
7
813434A1
Деталь RESERVOIR
8
813435
Деталь PLUG KIT
9
811698
Деталь WIRING HARNESS
11
813445
Деталь RESERVOIR CAP KIT
12
813446
Деталь SCREW KIT (4 pcs)
13
811699
Деталь MOTOR KIT
14
813448
Деталь END CAP
15
811700
Деталь ARMATURE
16
813450
Деталь THRUST WASHER KIT
17
813451
Деталь SHELL AND MAGNET KIT
18
813452
Деталь END FRAME KIT
19
813453
Деталь BOLT AND NUT KIT
20
819638
Кольцо