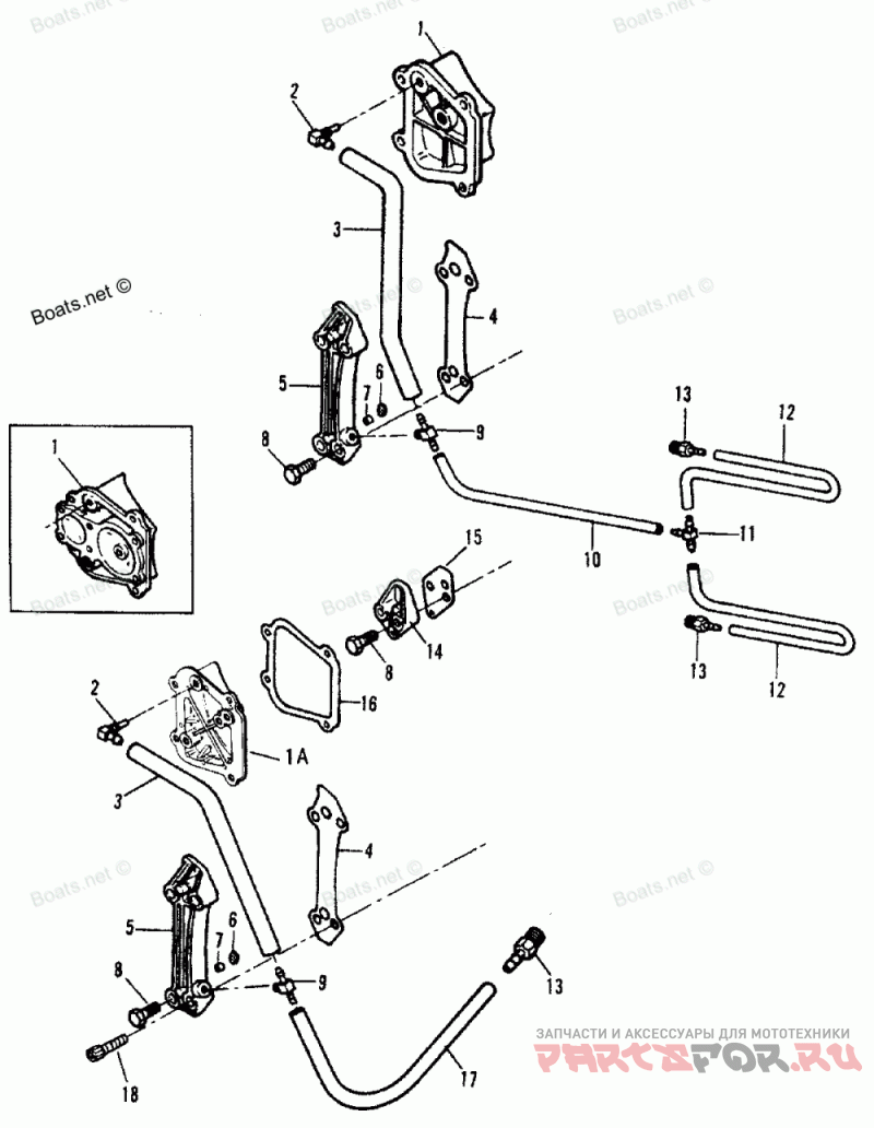
Recirculation System

Force H1508X92F

Force
#oem кодцена
1
817790A1
Деталь COVER KIT
1A
8178702
Деталь COVER-Fuel Pump
2
F404314
Колено
2
F743314
Колено
3
9912878
Трубопровод
3
99130122
Трубопровод
4
F686472
Деталь GASKET-Cylinder Drain
5
817877A3
Деталь COVER ASSEMBLY-Cylinder Drain
6
F429811
Водозаборная решетка
7
42657A1
Обратный клапан
7
817741A1
Деталь CHECK VALVE KIT
8
F1699
Деталь SCREW (.250-20 x 1.125)
9
8181031
Колено
9
F745801
Деталь FITTING-Tee
10
99130122
Трубопровод
11
F694922
Деталь FITTING-Tee
12
99130122
Трубопровод
13
42658
Деталь FITTING-Check
14
819539A1
Деталь COVER ASSEMBLY-Center Cylinder Drain
NS
F429811
Водозаборная решетка
NS
42657A1
Обратный клапан
15
F694748-1
Деталь GASKET-Center Cylinder Drain
16
820500
Деталь GASKET-Transfer Ports
17
99130122
Трубопровод
18
55715
Деталь SCREW (.250-20 x .875)
-
FG1027-2
Деталь GASKET SET-Powerhead
-
818155A16
Деталь POWERHEAD ASSEMBLY (Complete)