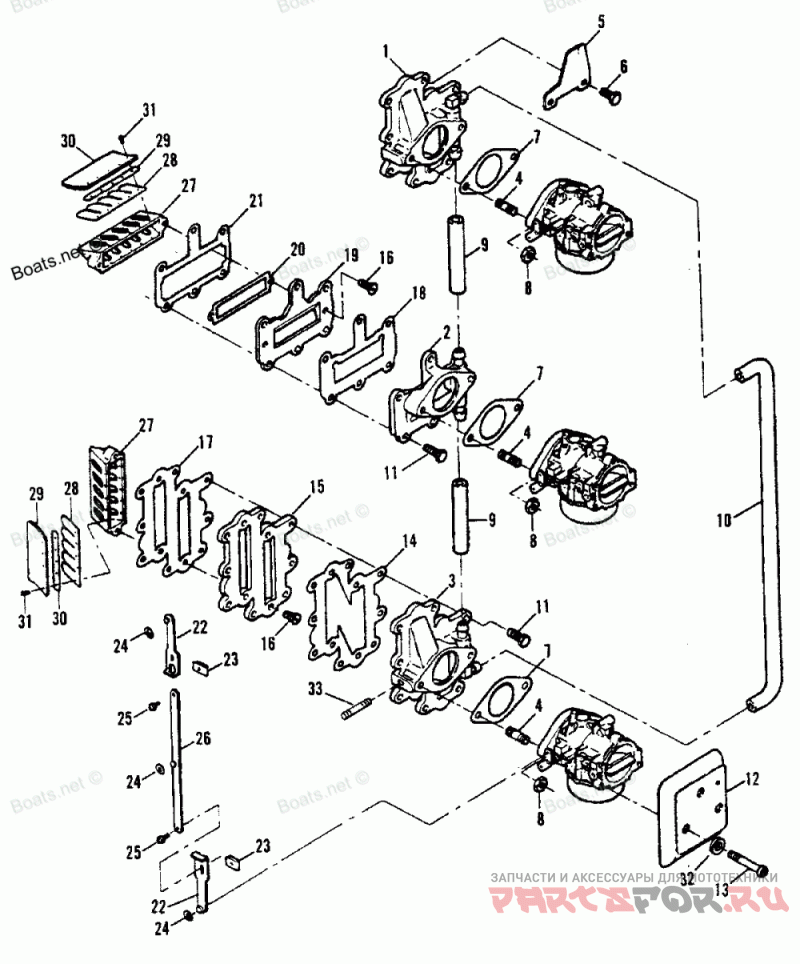
Fuel Intake System

Force H1508X92C

Force
#oem кодцена
1
817875A1
Деталь ADAPTER ASSEMBLY-Top Carburetor
2
FA694162
Деталь ADAPTER ASSEMBLY-Center Carburetor
3
817876A1
Деталь ADAPTER ASSEMBLY-Bottom Carburetor
4
826387
Деталь STUD (.375-16 x 1.625)
5
F500894
Деталь POINTER-Timing
6
F1532
Деталь SCREW (.250-20 x 1.00)
7
F440906
Деталь GASKET-Carburetor
8
86226
Деталь NUT (.375-16)
9
817736
Шланг
10
F694798
Деталь HOSE (17.250 Inches)
11
28668
Деталь SCREW (.250-20 x .875)
12
F511708-3
Деталь COVER-Carburetor
13
F2192
Деталь SCREW (.250-20 x 1.750)
14
F178168-1
Деталь GASKET-Carburetor Adaptor
15
820501
Деталь PLATE-Deflector
16
826380
Деталь SCREW (.250-20 x .625)
17
F406406
Деталь GASKET-Deflector Plate
18
F694159
Деталь GASKET-Carburetor Adaptor
19
F694047-1
Деталь PLATE-Deflector
20
F694836
Деталь GASKET-Reed Plate
21
F694077
Деталь GASKET-Deflector Plate
22
FA85193
Деталь BAR ASSEMBLY-Throttle
23
F1693
Деталь NUT (#8-32)
24
21058
Деталь E RING-Retaining
25
F1064
Деталь SCREW (#8-32 x .375)
26
FA694511
Деталь TIE BAR ASSEMBLY-Throttle
27
819071A2
Деталь REED PLATE ASSEMBLY
27
11645
Деталь REED PLATE ASSEMBLY
27
818108A1
Деталь REED PLATE ASSEMBLY
28
F530160
Деталь REED (5 PETAL)
29
F523451
Деталь SPACER-Reed Stop
30
F85161-1
Деталь STOP-Reed
31
819074
Деталь SCREW (#6-32 x .312)
32
29245
Шайба
33
826389
Деталь STUD (.250-20 x 1.250)-Throttle Cam
-
FG1027-2
Деталь GASKET SET-Powerhead
-
818155A16
Деталь POWERHEAD ASSEMBY