• О Компании
  • Оплата и Доставка
  • Помощь
  • Обратная связь
  • Контакты
  • Telegram
  • ВКонтакте
  • Telegram
  • ВКонтакте
  • Регистрация
  • Авторизация
Интернет магазин мотозапчастей PartsFor.ru
Москва и регионы России
  • Личный кабинет
    • Заказы
    • Оплаты
    • Отгрузки
    • Сообщения
    • Профиль
    • Выход
  • Оригинальные запчасти
    • Для мотоциклов
    • Yamaha
    • Honda
    • Suzuki
    • Kawasaki
    • Harley Davidson
    • Ducati
    • Can-Am
    • Aprilia
    • BMW
    • Triumph
    • Husaberg
    • Husqvarna
    • KTM
    • Indian
    • Victory
    • Slingshot
    • Для мотоциклов
    • Для квадроциклов
    • Для снегоходов
    • Для мотовездеходов
    • Для гидроциклов
    • Для лодочных моторов
    • Для катеров
    • Для судовых двигателей
    • Для генераторов
    • Для квадроциклов
    • Yamaha
    • Honda
    • Suzuki
    • Kawasaki
    • Arctic Cat
    • Can-Am
    • Polaris
    • KTM
    • Для снегоходов
    • Yamaha
    • Arctic Cat
    • Lynx
    • Ski-Doo
    • Polaris
    • Для генераторов
    • Для мотовездеходов
    • Yamaha
    • Honda
    • Suzuki
    • Kawasaki
    • Arctic Cat
    • Can-Am
    • Polaris
    • Polaris RZR
    • Для гидроциклов
    • Yamaha
    • Honda Marine
    • Kawasaki
    • Arctic Cat
    • Polaris
    • Sea-Doo
    • Для лодочных моторов
    • Для катеров
    • Для суд. двигателей
    • Для генераторов
    • Для лодочных моторов
    • Yamaha
    • Honda Marine
    • Suzuki Marine
    • Evinrude
    • Johnson
    • Nissan
    • Tohatsu
    • Mercury
    • Force
    • Mariner
    • Для катеров
    • Yamaha
    • Sea-Doo
    • Для суд. двигателей
    • Для спецтехники
  • Неоригинал, расходники
  • Заказ по каталогам
    • КАТАЛОГ PARTS UNLIMITED
  • Моторезина
  1. Главная
  2. Запчасти для лодочных моторов
  3. Force
  4. 1992
  5. H1508C92A

H1508C92A (1992)

Оригинальные запчасти для подвесных лодочных моторов Force

Выбор узла

H1508C92A (1992)
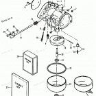
  • H1508C92A Bottom Cowl Components
    Bottom Cowl Components
  • H1508C92A Карбюратор
    Карбюратор
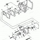
  • H1508C92A Коленвал,поршни
    Коленвал,поршни
  • H1508C92A Блок цилиндров
    Блок цилиндров
  • H1508C92A Дейвуд
    Дейвуд
  • H1508C92A Электрика
    Электрика
  • H1508C92A Exhaust Manifold And Cover
    Exhaust Manifold And Cover
  • H1508C92A Flared Hub Props
    Flared Hub Props
  • H1508C92A Fuel Intake System
    Fuel Intake System
  • H1508C92A Fuel Prime System (0e065372 Thru 0e093699)
    Fuel Prime System (0e065372 Thru 0e093699)
  • H1508C92A Fuel Prime System (89a Thru 91d)
    Fuel Prime System (89a Thru 91d)
  • H1508C92A Fuel Prime System (91j Thru 92c - 0e000001 Thru 0e065371...
    Fuel Prime System (91j Thru 92c - 0e000001 Thru 0e065371...
  • H1508C92A Fuel Pump Assembly (0e065372 Thru 0e093699)
    Fuel Pump Assembly (0e065372 Thru 0e093699)
  • H1508C92A Fuel Pump Assembly (89a Thru 92c - 0e000001 Thru 0e06537...
    Fuel Pump Assembly (89a Thru 92c - 0e000001 Thru 0e06537...
  • H1508C92A Fuel Tank (0e009500 Thru 0e093699)
    Fuel Tank (0e009500 Thru 0e093699)
  • H1508C92A Fuel Tank (89a Thru 92c - 0e000001 Thru 0e009499)
    Fuel Tank (89a Thru 92c - 0e000001 Thru 0e009499)
  • H1508C92A Gear Housing
    Gear Housing
  • H1508C92A Gear Shift Linkage (0e009500 Thru 0e093699)
    Gear Shift Linkage (0e009500 Thru 0e093699)
  • H1508C92A Gear Shift Linkage (89a Thru 92c - 0e000001 Thru 0e00949...
    Gear Shift Linkage (89a Thru 92c - 0e000001 Thru 0e00949...
  • H1508C92A Ignition System (89a Thru 91a)
    Ignition System (89a Thru 91a)
  • H1508C92A Ignition System (91b Thru 92c - 0e000001 Thru 0e093699)
    Ignition System (91b Thru 92c - 0e000001 Thru 0e093699)
  • H1508C92A Miscellaneous Engine Parts
    Miscellaneous Engine Parts
  • H1508C92A Power Trim (design I - With Bayonet Connectors)
    Power Trim (design I - With Bayonet Connectors)
  • H1508C92A Power Trim (design Ii - With Bullet Or Bayonet Connector...
    Power Trim (design Ii - With Bullet Or Bayonet Connector...
  • H1508C92A Power Trim (design Iii - Bullet 0e009500 Thru 0e093699)
    Power Trim (design Iii - Bullet 0e009500 Thru 0e093699)
  • H1508C92A Pump-motor Kit
    Pump-motor Kit
  • H1508C92A Recirculation System
    Recirculation System
  • H1508C92A Remote Control (89a Thru 92c - 0e000001 Thru 0e009499)
    Remote Control (89a Thru 92c - 0e000001 Thru 0e009499)
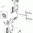
  • H1508C92A Стартер
    Стартер
  • H1508C92A Комплект Тяги рулевого механизма
    Комплект Тяги рулевого механизма
  • H1508C92A Swivel Bracket - Stern Brackets
    Swivel Bracket - Stern Brackets
  • H1508C92A Throttle Linkage (0e009500 Thru 0e093699)
    Throttle Linkage (0e009500 Thru 0e093699)
  • H1508C92A Throttle Linkage (89a Thru 92c - 0e000001 Thru 0e009499)
    Throttle Linkage (89a Thru 92c - 0e000001 Thru 0e009499)
  • H1508C92A Tilt Cylinder - Motor And Pump
    Tilt Cylinder - Motor And Pump
  • H1508C92A Tools - Special
    Tools - Special
  • H1508C92A Top Cowl Components
    Top Cowl Components
  • H1508C92A Trim Cylinder Components
    Trim Cylinder Components


  Информация
  • Новости
  • О Компании
  • Оплата и Доставка
  • Помощь
  • Обратная связь
  • Контакты
  OEM запчасти
  • Запчасти для мотоциклов
  • Запчасти для квадроциклов
  • Запчасти для снегоходов
  • Запчасти для мотовездеходов
  • Запчасти для гидроциклов
  • Запчасти для лодочных моторов
  Наши контакты
  • ИП Зуев Артем Павлович
  • г. Москва 2-я Хуторская улица, д.29, офис 214
  • Email: info@partsfor.ru

Тел: ‎8(495) 532-03-60
8(909) 958-46-33; 8(925) 200-16-98

* все разговоры записываются
С 10.00 до 19.00 ПН - ПТ

© 2026 Интернет магазин запчастей для мототехники ПартсФор.

  • PaymentGateway
  • PaymentGateway
Договор-оферта
Образец договора для юр.лиц
Пользовательское соглашение
Политика конфиденциальности

Товар добавлен в корзину

Выбранный товар добавлен в Вашу корзину.
Далее Вы можете перейти в корзину для оформления заказа или закрыть это окно и продолжить покупки.

Перейти в корзину

Выбор модели техники

Выбрать