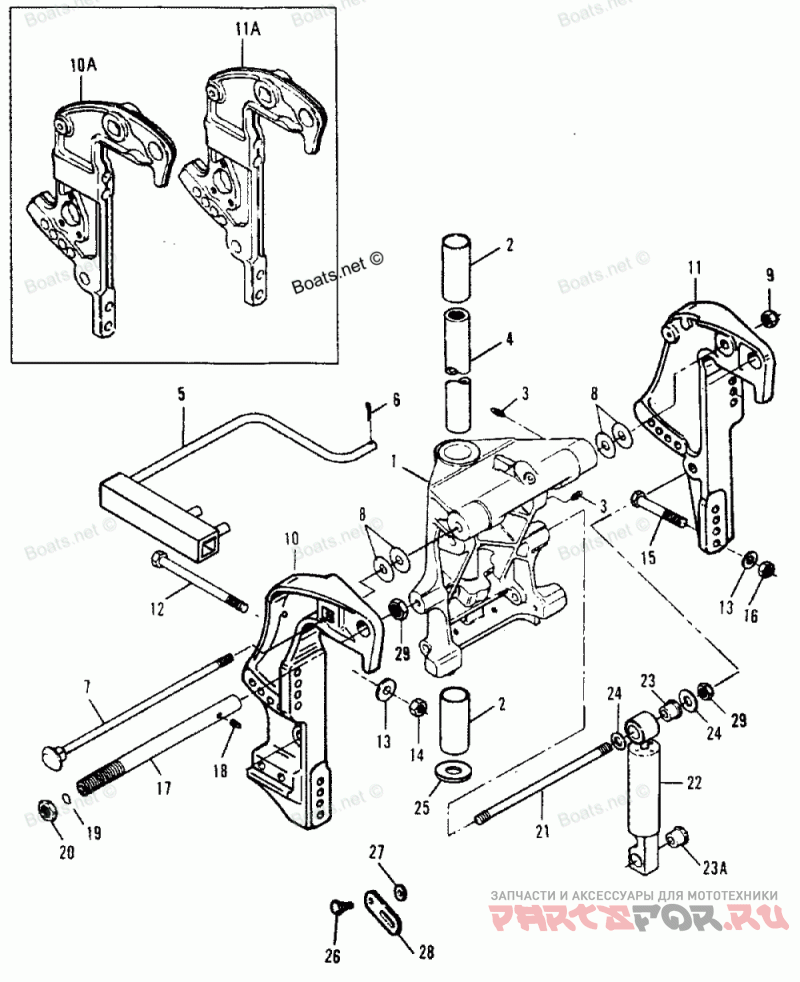
Swivel Bracket - Stern Brackets

Force H1501A92F

Force
#oem кодцена
1
817783A5
Деталь BRACKET KIT-Swivel
2
819493
Деталь BUSHING-Swivel Bracket
3
F213274
Деталь FITTING-Grease
4
FS85019
Деталь KINGPIN ASSEMBLY (20.00 Inch)
4
FA500019
Деталь KINGPIN ASSEMBLY (25.00 Inch)
5
819504A1
Деталь LOCK BRACKET KIT-Trailering
6
F525629
Деталь PIN-Cotter
7
F85037-1
Деталь BOLT-Stern Bracket Pivot
8
F84286-1
Шайба
9
28040
Деталь NUT (.500-20)
10A
820445F
Деталь BRACKET-Stern (Starboard)
11A
820446F
Деталь BRACKET-Stern (Port)
12
F685632
Деталь BOLT (.500-20 x 7.00)
13
FK684201
Комплект шайб
14
91962
Деталь NUT (.500-20)
15
F2428
Деталь SCREW (.375-16 x .500)
15
F2185
Деталь SCREW (.375-16 x 3.500)
16
86226
Деталь NUT (.375-16)
10
819424F
Деталь BRACKET-Stern (Starboard)
11
819425F
Деталь BRACKET-Stern (Port)
12
677551
Деталь SCREW (.500-20 x 4.500)
13
28421
Шайба
15
677551
Деталь SCREW (.500-20 x 4.500)
16
91962
Деталь NUT (.500-20)
17
818066A3
Деталь TUBE ASSEMBLY-Steering
18
F523274
Деталь FITTING-Grease
19
F316599
Деталь O RING-Steering Tube
20
F523280
Деталь NUT-Steering Support Tube
21
F449889
Деталь SHAFT-Upper Shock
22
FS631962
Деталь SHOCK ABSORBER ASSEMBLY
23
F178344
Деталь BUSHING (Upper)
23A
F449362
Деталь BUSHING (Lower)
24
F1960
Шайба
25
F84011
Шайба
26
F85350-1
Втулка оси
27
69150
Деталь WASHER (Wave)
28
F694426
Деталь STOP-Tilt
29
35778
Деталь NUT (.500-20)
NS
F9018
Деталь CAP-Stern Bracket (Starboard)
NS
F9052
Деталь PLUG-Tube Assembly (Port)