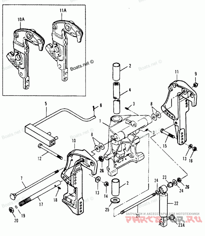
Swivel Bracket-stern Brackets

Force H1201F92C

Force
#oem кодцена
1
817783A5
Деталь BRACKET KIT-SWIVEL (PAINTED)
2
819493
Подшипник
3
F213274
Деталь FITTING-GREASE
4
FS85019
Деталь KINGPIN ASSEMBLY (20")
4
FA500019
Деталь KINGPIN ASSEMBLY (25")
5
819504A1
Деталь BRACKET KIT-TRAILERING
6
F525629
Деталь PIN-COTTER
7
F85037-1
Деталь BOLT-PIVOT-STERN BRACKET
8
F84286-1
Шайба
9
28040
Деталь NUT (1/2-20)
10A
820445F
Деталь BRACKET-STERN-(STBD) (PAINTED)
11A
820446F
Деталь BRACKET-STERN-(PORT) (PAINTED)
12
F685632
Деталь BOLT (1/2-20 X 7")
13
FK684201
Комплект шайб
14
91962
Деталь NUT (1/2-20)
15
F2428
Деталь SCREW (3/8-16 X 5")
15
F2185
Деталь SCREW (3/8-16 X 3-1/2")
16
86226
Деталь NUT (3/8-16)
10
819424F
Деталь BRACKET-STERN-(STBD) (PAINTED)
11
819425F
Деталь BRACKET-STERN-(PORT) (PAINTED)
12
677551
Деталь SCREW (1/2-20 X 4-1/2")
13
28421
Шайба
15
677551
Деталь SCREW (1/2-20 X 4-1/2")
16
91962
Деталь NUT (1/2-20)
17
818066A3
Деталь TUBE ASSEMBLY-STEERING
18
F523274
Деталь FITTING-GREASE
19
F316599
Деталь O-RING-STEERING TUBE
20
F523280
Деталь NUT-STEERING SUPPORT TUBE
21
F449889
Деталь SHAFT-UPPER SHOCK
22
FS631962
Деталь SHOCK ABSORBER ASSEMBLY (PAINTED)
23
F178344
Деталь BUSHING-UPPER
23A
F449362
Деталь BEARING-LOWER
24
F1960
Шайба
25
F84011
Шайба
26
35778
Деталь NUT (1/2-20)
-
F9018
Деталь CAP-STARBOARD STERN BRACKET
-
F9052
Деталь PLUG-STEERING TUBE ASSEMBLY-PORT SIDE