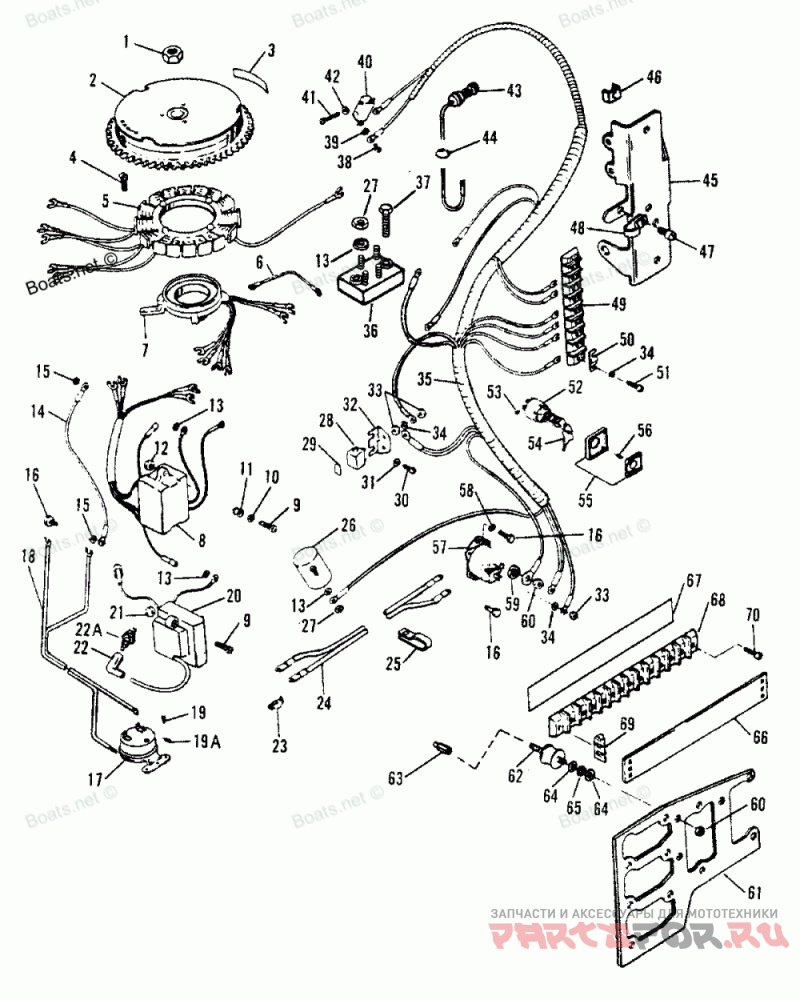
Ignition Components (91e Models)

Force H0908F92C

Force
#oem кодцена
1
F1968
Деталь NUT (3/4-16)
2
817865A1
Деталь FLYWHEEL KIT
3
FA609853
Деталь DECAL KIT, SHIFT TO NEUTRAL
4
F2200
Деталь SCREW (12-24 X 1")
5
F663095-4
Деталь STATOR ASSEMBLY
6
F345683
Деталь WIRE, GROUND
7
F653029-1
Деталь TRIGGER ASSEMBLY
8
F685301-2
Деталь CD MODULE (BLUE)
9
F2008
Деталь SCREW (1/4-20 X 7/8")
10
35044
Шайба
11
F475504
Деталь GROMMET, CD MOUNTING
12
814101
Деталь NUT (1/4-20)
13
F8056
Деталь LOCKWASHER (#8)
14
F319908
Деталь WIRE, GROUND
15
78968
Деталь LOCKWASHER (1/4" INTERNAL)
16
28636
Деталь SCREW (1/4-20 X 3/4")
17
F5H043
Деталь BUZZER KIT, HEAT INDICATOR
18
65017A24
Деталь HARNESS, BUZZER HEAT INDICATOR
19
F1741
Деталь SCREW (#8 X 3/4")
19A
69080
Деталь SCREW (6-32 X 1/4")
21
64015
Деталь NUT (1/4-20)
22
FK1123
Деталь SPARKIE KIT, SPARK PLUG
22A
8180071
Деталь SPARK PLUG (CHAMPION # UL-18V)
23
F5H041
Деталь TERMINAL KIT, BATTERY
24
F381896--
Деталь CABLE, BATTERY
25
F407446
Зажим
26
F654924-1
Деталь SOLENOID, CHOKE
27
F1647
Деталь NUT (8-32)
28
F510460
Тепловой размыкатель
29
F510374-1
Деталь DECAL, CIRCUIT BREAKER
30
F1760
Деталь SCREW (10-24 X 3/8")
31
89302
Шайба
32
F91446-2
Деталь BRACKET, CIRCUIT BREAKER
33
68219
Деталь NUT (10-32)
34
26996
Деталь LOCKWASHER (#10)
35
F653744-1
Деталь HARNESS, WIRING
36
F369450-1
Деталь RECTIFIER (RECTANGULAR)
37
F1303
Деталь SCREW (8-32 X 3/4") (USE W/ SQUARE RECTIFIER)
37
F2016
Деталь SCREW (6-32 X 7/8") (RECTANGULAR RECTIFIER)
38
69080
Деталь SCREW (6-32 X 1/4")
39
F1704
Деталь LOCKWASHER (#6 INTERNAL)
40
F84449
Деталь SWITCH, NEUTRAL INTERLOCK
41
F2016
Деталь SCREW (6-32 X 7/8")
42
27882
Шайба
43
F629449-2
Деталь THERMOSWITCH
44
F428096
Седло
45
F438493
Деталь BRACKET, TERMINAL BLOCK
46
F438668
Деталь RETAINER, CABLE CLAMP
47
34939
Деталь SCREW (1/4-20 X 1/2")
48
F289446-1
Зажим
49
FA616497
Деталь BLOCK KIT, TERMINAL
50
F307317
Деталь CLIP, TERMINAL BLOCK GROUND
51
41069
Деталь SCREW (10-24 X 3/4")
52
F5H078
Деталь SWITCH KIT, IGNITION, (LONG BARREL)
53
F1280
Деталь SCREW (8-32 X 1/4")
54
8177821
Деталь KEY SET (NO LETTER OR STAMPED A)
54
8178831
Деталь KEY SET (STAMPED B)
54
8178911
Деталь KEY SET (STAMPED C)
54
8179281
Деталь KEY SET (STAMPED D)
54
8179291
Деталь KEY SET (STAMPED E)
55
F5H038
Деталь MOUNTING KIT, IGNITION SWITCH
56
F1934
Деталь SCREW (#6 X 1/2")
57
F460917-1
Реле стартера
58
26992
Деталь LOCKWASHER (1/4")
59
53166
Деталь LOCKWASHER (5/16")
60
68292
Деталь NUT (5/16-18)
61
FS663358
Деталь BRACKET, ELECTRICAL MOUNT (PAINTED)
62
819869
Деталь MOUNT, SHOCK
63
F322273-1
Шпилька
64
F8124
Деталь LOCKWASHER (5/16" EXTERNAL)
65
F8090
Шайба
66
F664672
Деталь COVER, TERMINAL BLOCK
67
F664025
Деталь PAD, INSULATING
68
F664497
Деталь BLOCK, TERMINAL, (12 POSITION)
69
F664384
Деталь CLIP, TERMINAL BLOCK COVER
70
41069
Деталь SCREW (10-24 X 3/4")
--
12066A9
Деталь ROPE AND HANDLE, EMERGENCY STARTER