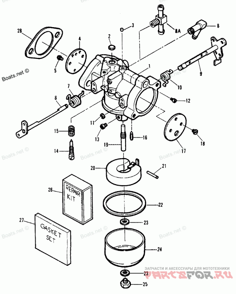
Carburetor 91e Thru 92c E000001,e009499

Force H0908F92C

Force
#oem кодцена
1
F831061-3
Деталь CARBURETOR (TOP - WB-101C)
1
F832061-3
Деталь CARBURETOR (CENTER/BOTTOM - WB-100C)
2
FO16128
Деталь PLUG, WELCH
3
FO10588
Деталь PLUG, CUP
4
F10315
Деталь SHUTTER, THROTTLE
5
F10328
Деталь SCREW, SHUTTER
6
F10305
Деталь SHAFT, THROTTLE
7
F10334
Деталь SPRING, THROTTLE SHAFT
8
F84314-2
Деталь ELBOW (TOP - "L" STYLE)
8
F85314-1
Деталь ELBOW (CENTER/BOTTOM - "T" STYLE)
9
F10299
Деталь SHAFT, CHOKE
10
F10300
Деталь SPRING, CHOKE SHAFT
11
F10241
Деталь E-RING, CHOKE SHAFT
12
F10356
Деталь JET, IDLE AIR (.036)
14
F10268
Деталь SCREW, IDLE MIXTURE
15
27160
Деталь SPRING, IDLE MIXTURE SCREW
16
FK10309
Деталь NEEDLE AND SEAT KIT, INLET
17
F10355
Деталь SHUTTER, CHOKE
18
F10328
Деталь SCREW, SHUTTER
19
F10302
Главный жиклер
20
F10346
Деталь FLOAT, FUEL BOWL
21
FO13944
Палец
22
FO15623
Деталь GASKET, FUEL BOWL
23
FO2510
Деталь GASKET, FUEL BOWL
24
F10333
Деталь BOWL, FUEL
25
5128
Деталь SCREW, FUEL BOWL
26
FK10357
Деталь REPAIR KIT, CARBURETOR
27
FK10323
Деталь GASKET SET, CARBURETOR
28
F85906
Деталь GASKET, CARBURETOR
-
FK10357
Деталь CARB REPAIR KIT
-
FK10323
Деталь CARB GASKET SET