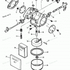
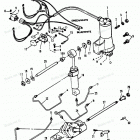
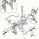
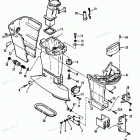
H0906X92A (1992)

Оригинальные запчасти для подвесных лодочных моторов Force

Выбор узла

H0906X92A (1992)