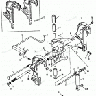
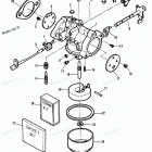
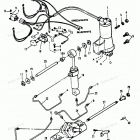
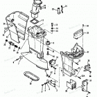
H0903E92F (1992)

Оригинальные запчасти для подвесных лодочных моторов Force

Выбор узла

H0903E92F (1992)