• О Компании
  • Оплата и Доставка
  • Помощь
  • Обратная связь
  • Контакты
  • Telegram
  • ВКонтакте
  • Telegram
  • ВКонтакте
  • Регистрация
  • Авторизация
Интернет магазин мотозапчастей PartsFor.ru
Москва и регионы России
  • Личный кабинет
    • Заказы
    • Оплаты
    • Отгрузки
    • Сообщения
    • Профиль
    • Выход
  • Оригинальные запчасти
    • Для мотоциклов
    • Yamaha
    • Honda
    • Suzuki
    • Kawasaki
    • Harley Davidson
    • Ducati
    • Can-Am
    • Aprilia
    • BMW
    • Triumph
    • Husaberg
    • Husqvarna
    • KTM
    • Indian
    • Victory
    • Slingshot
    • Для мотоциклов
    • Для квадроциклов
    • Для снегоходов
    • Для мотовездеходов
    • Для гидроциклов
    • Для лодочных моторов
    • Для катеров
    • Для судовых двигателей
    • Для генераторов
    • Для квадроциклов
    • Yamaha
    • Honda
    • Suzuki
    • Kawasaki
    • Arctic Cat
    • Can-Am
    • Polaris
    • KTM
    • Для снегоходов
    • Yamaha
    • Arctic Cat
    • Lynx
    • Ski-Doo
    • Polaris
    • Для генераторов
    • Для мотовездеходов
    • Yamaha
    • Honda
    • Suzuki
    • Kawasaki
    • Arctic Cat
    • Can-Am
    • Polaris
    • Polaris RZR
    • Для гидроциклов
    • Yamaha
    • Honda Marine
    • Kawasaki
    • Arctic Cat
    • Polaris
    • Sea-Doo
    • Для лодочных моторов
    • Для катеров
    • Для суд. двигателей
    • Для генераторов
    • Для лодочных моторов
    • Yamaha
    • Honda Marine
    • Suzuki Marine
    • Evinrude
    • Johnson
    • Nissan
    • Tohatsu
    • Mercury
    • Force
    • Mariner
    • Для катеров
    • Yamaha
    • Sea-Doo
    • Для суд. двигателей
    • Для спецтехники
  • Неоригинал, расходники
  • Заказ по каталогам
    • КАТАЛОГ PARTS UNLIMITED
  • Моторезина
  1. Главная
  2. Запчасти для лодочных моторов
  3. Force
  4. 1992
  5. H0706X92F

H0706X92F (1992)

Оригинальные запчасти для подвесных лодочных моторов Force

Выбор узла

H0706X92F (1992)
  • H0706X92F Нижняя часть колпака
    Нижняя часть колпака
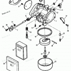
  • H0706X92F Карбюратор
    Карбюратор
  • H0706X92F Carburetor (91b Thru 92c)
    Carburetor (91b Thru 92c)
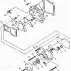
  • H0706X92F Коленвал и поршни
    Коленвал и поршни
  • H0706X92F Блок цилиндров
    Блок цилиндров
  • H0706X92F Design 1 - Power Trim Unit With Bayonet Conn. (91b Thru ...
    Design 1 - Power Trim Unit With Bayonet Conn. (91b Thru ...
  • H0706X92F Design 11-power Trim Unit With Bullet Conn. (91b Thru 92...
    Design 11-power Trim Unit With Bullet Conn. (91b Thru 92...
  • H0706X92F Design Iii - Power Trim Unit With Bullet Connectors
    Design Iii - Power Trim Unit With Bullet Connectors
  • H0706X92F Driveshaft
    Driveshaft
  • H0706X92F Дейвуд
    Дейвуд
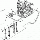
  • H0706X92F Электрика
    Электрика
  • H0706X92F Fuel Intake And Prime System
    Fuel Intake And Prime System
  • H0706X92F Fuel Intake System
    Fuel Intake System
  • H0706X92F Топливный насос
    Топливный насос
  • H0706X92F Fuel Pump Assembly (91b Thru 92c)
    Fuel Pump Assembly (91b Thru 92c)
  • H0706X92F Fuel Tank And Line - (plastic - 6.0 Gallon)(91b Thru 92c...
    Fuel Tank And Line - (plastic - 6.0 Gallon)(91b Thru 92c...
  • H0706X92F Fuel Tank And Line - (plastic - 6.6 Gallon)
    Fuel Tank And Line - (plastic - 6.6 Gallon)
  • H0706X92F Gear Housing
    Gear Housing
  • H0706X92F Gear Shift Linkage
    Gear Shift Linkage
  • H0706X92F Зажигание
    Зажигание
  • H0706X92F Ignition Components (1991b - 1992c)
    Ignition Components (1991b - 1992c)
  • H0706X92F Miscellaneous Engine Parts
    Miscellaneous Engine Parts
  • H0706X92F Overheat Buzzer
    Overheat Buzzer
  • H0706X92F Гребной винт
    Гребной винт
  • H0706X92F Pump-motor Kit
    Pump-motor Kit
  • H0706X92F Recirculation System
    Recirculation System
  • H0706X92F Recirculation System (91b Thru 92c)
    Recirculation System (91b Thru 92c)
  • H0706X92F Дистанционное управление
    Дистанционное управление
  • H0706X92F Spacer Plate (91b Models)
    Spacer Plate (91b Models)
  • H0706X92F Spacer Plate (91c Thru 92c )
    Spacer Plate (91c Thru 92c )
  • H0706X92F Стартер
    Стартер
  • H0706X92F Swivel Brackeet-stern Brackets (manual Tilt)
    Swivel Brackeet-stern Brackets (manual Tilt)
  • H0706X92F Swivel Bracket-stern Brackets (power Trim)
    Swivel Bracket-stern Brackets (power Trim)
  • H0706X92F Термостат
    Термостат
  • H0706X92F Tools - Special
    Tools - Special
  • H0706X92F Верхняя часть колпака
    Верхняя часть колпака
  • H0706X92F Towershaft Assembly
    Towershaft Assembly
  • H0706X92F Towershaft Assembly (91b Thru 92c )
    Towershaft Assembly (91b Thru 92c )
  • H0706X92F Водяной насос
    Водяной насос


  Информация
  • Новости
  • О Компании
  • Оплата и Доставка
  • Помощь
  • Обратная связь
  • Контакты
  OEM запчасти
  • Запчасти для мотоциклов
  • Запчасти для квадроциклов
  • Запчасти для снегоходов
  • Запчасти для мотовездеходов
  • Запчасти для гидроциклов
  • Запчасти для лодочных моторов
  Наши контакты
  • ИП Зуев Артем Павлович
  • г. Москва 2-я Хуторская улица, д.29, офис 214
  • Email: info@partsfor.ru

Тел: ‎8(495) 532-03-60
8(909) 958-46-33; 8(925) 200-16-98

* все разговоры записываются
С 10.00 до 19.00 ПН - ПТ

© 2026 Интернет магазин запчастей для мототехники ПартсФор.

  • PaymentGateway
  • PaymentGateway
Договор-оферта
Образец договора для юр.лиц
Пользовательское соглашение
Политика конфиденциальности

Товар добавлен в корзину

Выбранный товар добавлен в Вашу корзину.
Далее Вы можете перейти в корзину для оформления заказа или закрыть это окно и продолжить покупки.

Перейти в корзину

Выбор модели техники

Выбрать