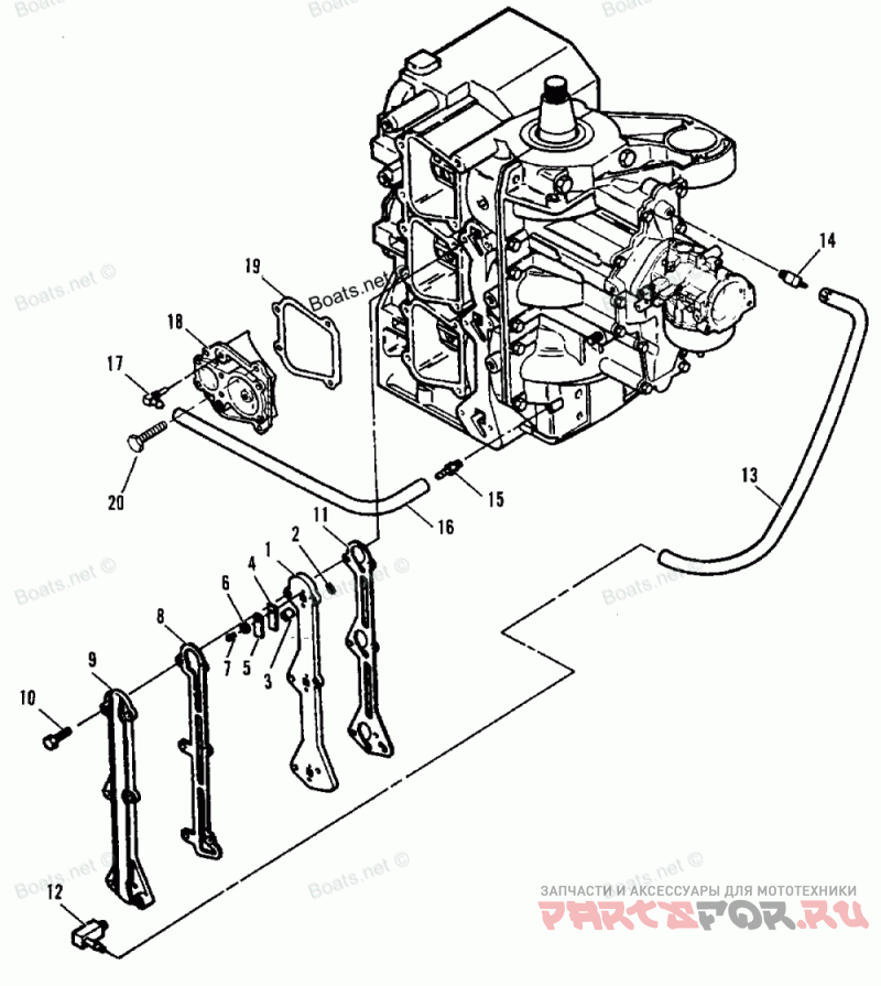
Recirculation System (91b Thru 92c)

Force H0706F92A

Force
#oem кодцена
1
F2A404757
Деталь REED PLATE ASSEMBLY, Cylinder Drain
2
F93811
Водозаборная решетка
3
F433473
Деталь CUP, Metering
4
F18160-3
Деталь REED
5
F93920
Деталь STOP, Reed
6
18552
Шайба
7
F1286
Деталь SCREW (4-40 x 3/16")
8
F85472-2
Деталь GASKET, Cylinder Drain Cover
9
817787A1
Деталь COVER KIT, Cylinder Drain
10
76630
Деталь SCREW (1/4-20 x 1")
11
F85748-2
Деталь GASKET, Cylinder Drain Reed Plate
15
42658
Фитинг
16
99130122
Деталь HOSE (10-1/2")
17
F743314
Колено
18
817790A1
Деталь COVER KIT, Transfer Port
19
820500
Деталь GASKET, Transfer Port
20
98254
Деталь SCREW (1/4-20 x 5/8")
-
818153A6
Деталь POWERHEAD ASSEMLBY
-
FG1037-1
Комплет прокладок