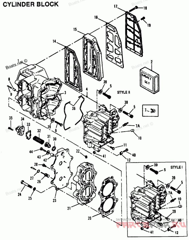
Блок цилиндров

Force H0508F92F

Force
#oem кодцена
--
819445A7
Деталь POWERHEAD ASSEMBLY (40HP) (PAINTED) (92C & 065371)
1
819445A6
Деталь CYLINDER BLOCK KIT (40HP) (92C & 065371)
--
818152A7
Деталь POWERHEAD ASSEMBLY (50HP) (PAINTED) (92C & 065371)
1
818152A6
Деталь CYLINDER BLOCK KIT (50HP) (92C & 065371)
--
819445A14
Деталь POWERHEAD ASSY(40&50HP) (PAINTED)
1
819445A16
Деталь CYLINDER ASSEMBLY(40&50HP)
2
820467A1
Деталь GASKET SET(92C)
2
820722A1
Комплет прокладок
3
F40909
Деталь PIN, LOCATING
4
F8559
Штифт
5
F2228
Деталь SCREW (3/8-16 X 3")
6
812567
Деталь SCREW (3/8-16 X 1-5/8")
7
F463314
Деталь ELBOW (92C)
7A
42658
Клапан
8
F691943
Деталь TUBE, WATER JACKET
9
F691372
Деталь PIN, WATER JACKET TUBE
10
F433473
Деталь CUP, METERING
11
28636
Деталь SCREW (1/4-20 X 3/4") (STYLE I)
12
F307942-2
Амортизатор ударов
14
F691154
Деталь GASKET, EXHAUST PORT PLATE
15
F691151-1
Деталь PLATE, EXHAUST PORT
16
F691153
Деталь GASKET, EXHAUST PORT COVER
17
819269
Деталь COVER, EXHAUST PORT
18
F1972
Деталь SCREW (1/4-20 X 2-1/2")
19
49668
Деталь SCREW (1/4-20 X 3/4")
20
F691529-1
Прокладка
21
8198501
Головка цилиндров
22
F722109-1
Деталь PLUG, CYLINDER HEAD
23
819376
Крышка головки цилиндра
24
F2254
Деталь SCREW (5/16-18 X 2-1/2")
25
34437
Шайба
26
F658449-2
Деталь THERMOSWITCH (92C)
26
819502
Деталь THERMOSWITCH
27
F717096
Стопорное кольцо
28
98254
Деталь SCREW (1/4-20 X 5/8")
29
F1922
Деталь SCREW (1/4-20 X 5/8") (STYLE I)
30
F658504
Деталь WASHER, THERMOSTAT
31
F97068-2
Деталь THERMOSTAT (130 DEGREES)
32
F658268
Деталь SPRING, THERMOSTAT
33
819377
Деталь GASKET, THERMOSTAT COVER
34
819375
Крышка термостата
35
19926100
Деталь SCREW (10-24 X 1") WITH DRI LOC
36
F184122-1
Деталь SEAL, CRANKCASE (92C &
39
37828
Шайба
40
F1134
Деталь SCREW (8-32 X 1-1/8")
41
26768
Деталь NUT (8-32)
42
421821
Втулка
43
78968
Деталь LOCKWASHER (1/4" INTERNAL)
44
45561
Деталь SCREW (1/4-20 X 1-1/8")
--
820467A1
Деталь POWERHEAD GASKET SET
--
820722A1
Деталь POWERHEAD GASKET SET