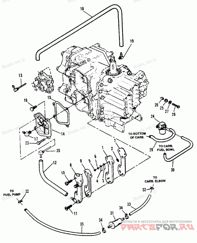
Recirculation And Prime System (92c) E000001,e065371

Force H0508F92C

Force
#oem кодцена
1
F3A433757
Деталь REED PLATE ASSEMBLY, CYLINDER DRAIN
2
F93811
Водозаборная решетка
3
F18160-3
Деталь REED
4
F93920
Деталь STOP, REED
5
F1286
Деталь SCREW (4-40 X 3/16")
6
18552
Шайба
7
F93748-1
Деталь GASKET, CYLINDER DRAIN REED PLATE
8
FA433471
Деталь COVER ASSEMBLY, CYLINDER DRAIN
9
F93472-1
Деталь GASKET, CYLINDER DRAIN COVER
10
F1446
Деталь SCREW (1/4-20 X 1")
11
F1136
Деталь SCREW (1/4-20 X 1")
13
F404314
Колено
14
817790A1
Деталь COVER KIT, TRANSFER PORT
15
820500
Деталь GASKET, TRANSFER PORT
16
98254
Деталь SCREW (1/4-20 X 5/8")
17
F84314-2
Колено
19
F463314
Деталь ELBOW (W/CHECK VALVE)
20
F404314
Колено
23
49668
Деталь SCREW (1/4-20 X 3/4")
24
819503
Деталь SOLENOID, PRIMER
25
F694504
Уплотнитель резиновый
26
F694359
Проставка
27
35044
Шайба
28
86885
Деталь SCREW (1/4-20 X 1-1/2")
31
816296
Фильтр топливный
32
816311
Деталь CABLE TIE (8")
34
816311
Деталь CABLE TIE (8")
--
56762
Деталь CABLE TIE (4")
--
819445A7
Деталь POWERHEAD ASSEMBLY
--
818152A7
Деталь POWERHEAD ASSEMBLY
--
820467A1
Деталь POWERHEAD GASKET SET