Carburetor - 50 H.p. E065372,e093699

Force H0508E92C

Force
#oem кодцена
--
825266
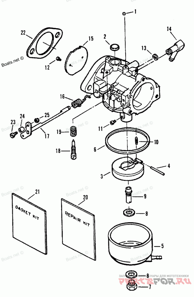
Деталь CARBURETOR (WB-118A)
1
FO10588
Деталь PLUG, CUP
2
FO16128
Деталь PLUG, WELCH
3
F10346
Деталь FLOAT, FUEL BOWL
4
FO13944
Палец
5
820491
Деталь BOWL, FUEL
6
FO15623
Деталь GASKET, FUEL BOWL
7
5128
Деталь SCREW, FUEL BOWL
8
FO2510
Деталь GASKET, FUEL BOWL
9
F10302
Главный жиклер
10
FK10309
Деталь NEEDLE KIT, INLET
12
F10328
Деталь SCREW, SHUTTER
13
FO16620
Деталь E-RING, THROTTLE SHAFT
14
F84314-2
Деталь ELBOW, FUEL
15
F10313
Деталь SHUTTER, THROTTLE
16
F10311
Деталь SPRING, THROTTLE SHAFT
17
F10304
Деталь SHAFT, THROTTLE
18
F10268
Деталь SCREW, IDLE MIXTURE
19
27160
Деталь SPRING, IDLE MIXTURE SCREW
20
820721A1
Деталь REPAIR KIT, CARBURETOR
21
FK10323
Деталь GASKET SET, CARBURETOR
22
F85906
Деталь GASKET, CARBURETOR FLANGE
23
F333316
Деталь SHAFT, ROLLER
24
819225
Деталь ROLLER, THROTTLE CAM
25
F1997
Деталь NUT (8-32)
--
819445A14
Деталь POWERHEAD ASSEMBLY
--
820721A1
Деталь CARB REPAIR KIT
--
FK10323
Деталь CARB GASKET SET
--
820722A1
Деталь POWERHEAD GASKET SET