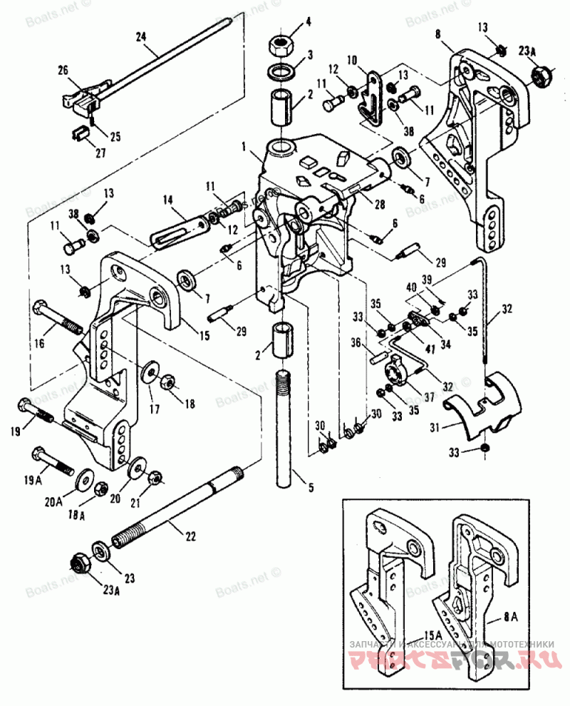
Swivel Bracket-stern Brackets Manual Tilt Models

Force H0407E92C

Force
#oem кодцена
1
819120F1
Деталь BRACKET, SWIVEL (PAINTED)
2
F191169-1
Деталь BEARING, SWIVEL BRACKET
3
F89011
Шайба
4
F84280
Деталь NUT, KINGPIN
5
819331A2
Деталь KINGPIN ASSEMBLY
6
F213274
Деталь FITTING, GREASE
7
F522286
Шайба
8A
819374F
Деталь BRACKET, PORT (PAINTED)(92C))
8
819325F1
Деталь BRACKET, STERN, PORT (PAINTED)
10
820527
Деталь STOP, TILT, PORT
11
F749458
Деталь PIN, TILT LOCK
12
69708
Шайба
13
F749208
Стопорное кольцо
14
F366433-1
Деталь STOP, TILT, STARBOARD
15A
819373F
Деталь BRACKET, STBD (PAINTED)(92C)
15
819324F
Деталь BRACKET, STERN, STBD (PAINTED)
16
92710
Деталь SCREW (1/2-20 X 5")
17
28421
Шайба
18
91962
Деталь NUT (1/2-20)
18A
91962
Деталь NUT (1/2-20)
19A
677551
Деталь SCREW (1/2-20 X 4-1/2")
20A
28421
Шайба
19
F2185
Деталь SCREW (3/8-16 X 3-1/2") (92C)
20
FK684201
Деталь WASHER KIT (92C)
21
86226
Деталь NUT (3/8-16) (92C)
22
819545A1
Деталь TUBE KIT, STEERING
23
F316599
Деталь O-RING, STEERING TUBE
23A
30499
Деталь NUT (7/8-14)
24
FA658113
Деталь LOCK BAR KIT
25
25870
Деталь PIN, ROLL
26
816517
Деталь HANDLE, LOCK BAR
27
F286461
Деталь SPRING, LOCK BAR HANDLE
28
8147433
Деталь DECAL, TILT RELEASE
29
826578
Деталь PIN, RETAINING, WITH DRI LOC
30
F366300
Деталь SPRING, REVERSE LOCK
31
F366349-1
Деталь LOCK, REVERSE
32
819702A1
Деталь LINK KIT, REVERSE LOCK (LONG AND SHORT)
33
F1669
Деталь NUT (6-32)
34
F749364
Деталь ARM, REVERSE LOCK
35
27882
Шайба
36
F749586-1
Деталь SHAFT, REVERSE LOCK
37
F749827
Деталь LEVER, RELEASE
38
74758
Шайба
39
26953
Шплинт
40
71055
Шайба
41
4002316
Шайба