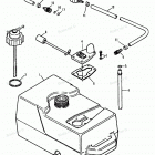
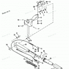
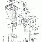
H0092E92B (1992)

Оригинальные запчасти для подвесных лодочных моторов Force

Выбор узла

H0092E92B (1992)