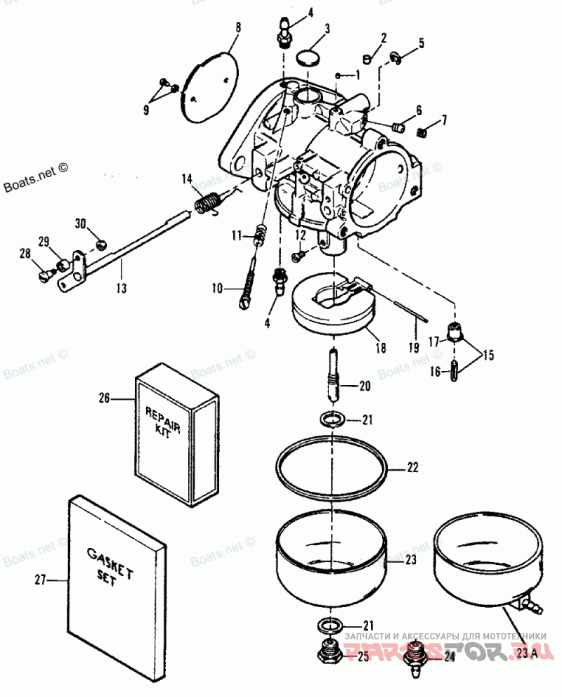
Карбюратор

Force H1501X91A

Force
#oem кодцена
_
F686061-2
Деталь CARBURETOR-Top (TC103C)
_
F693061-1
Деталь CARBURETOR-Center (TC104B)
_
F694061-2
Деталь CARBURETOR-Bottom (TC-105C)
_
820200
Деталь CARBURETOR-Top (TC124A)
_
820204
Деталь CARBURETOR-Center (TC123A)
_
820201
Деталь CARBURETOR-Bottom (TC122A)
1
FO10588
Деталь PLUG-Cup
2
F10263
Деталь CUP-Metering
3
FO16128
Деталь PLUG-Welch
4
F10274
Деталь CONNECTOR-Primer
5
FO16620
Деталь E RING-Throttle Shaft
6
F10273
Деталь JET (.047)-Throttle
7
F10275
Деталь SCREW-Sealing
8
FO16142
Деталь SHUTTER-Throttle
9
F10328
Деталь SCREW-Shutter
10
F10268
Деталь SEREW-Idle Mixture
11
27160
Деталь SPRING-Idle Mixture Screw
13
FO17884
Деталь SHAFT AND LEVER ASSEMBLY-Throttle
14
FO16143
Деталь SPRING-Throttle Shaft
15
FK10264
Деталь NEEDLE-Inlet
16
F10265
Деталь NEEDLE-Inlet
17
F10367
Деталь SEAT-Inlet
18
F10346
Деталь FLOAT-Fuel
19
FO13944
Деталь PIN-Float
20
FO16133
Жиклер главный
21
FO5323
Деталь GASKET-Fuel Bowl
22
FO15623
Деталь GASKET-Fuel Bowl
23
FO16130
Деталь BOWL-Fuel
23A
820492
Деталь BOWL-Fuel
24
F10267
Винт
25
FO16132
Винт
26
820576A1
Деталь REPAIR KIT-Carburetor
27
FK10023
Деталь GASKET SET-Carburetor
28
F333316
Деталь SHAFT-Throttle Roller
29
819225
Деталь ROLLER-Throttle Shaft
30
F1997
Деталь NUT (#8-32)