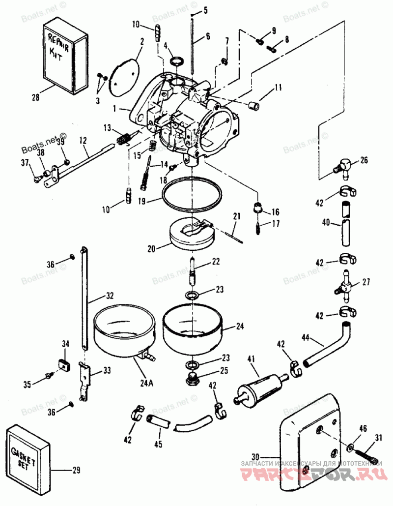
Carburetor (0e009500 - 0e093699)

Force H1208F91C

Force
#oem кодцена
1
820203
Деталь CARBURETOR (TOP) (TC-119A)
1
820195
Деталь CARBURETOR (BOTTOM) (TC-120A)
2
FO16142
Деталь SHUTTER-THROTTLE
3
F10328
Деталь SCREW-SHUTTER
4
FO16128
Деталь PLUG-WELCH
5
FO10588
Деталь PLUG-CUP
6
FO16993
Деталь TUBE-BY-PASS
7
FO16620
Деталь E-RING-THROTTLE SHAFT
8
F10275
Деталь SCREW-SEALING
9
F10273
Деталь JET (.047)-IDLE AIR
10
F10274
Деталь NOZZLE-PRIMER
11
F10263
Деталь CUP-METERING
12
FO17884
Деталь SHAFT AND LEVER-THROTTLE
13
FO16143
Деталь SPRING-THROTTLE SHAFT
14
F10268
Деталь SCREW-IDLE MIXTURE
15
27160
Деталь SPRING-IDLE MIXTURE SCREW
16
F10367
Деталь SEAT-INLET
17
F10265
Деталь NEEDLE-INLET
19
FO15623
Деталь GASKET-FUEL BOWL
20
F10346
Деталь FLOAT-FUEL BOWL
21
FO13944
Деталь PIN-FLOAT
22
FO16133
Жиклер главный
23
FO5323
Деталь GASKET-FUEL BOWL
24A
820492
Деталь BOWL-FUEL (TOP CARB)
24
FO16130
Деталь BOWL-FUEL (BOTTOM CARB)
25
FO16132
Деталь SCREW-FUEL BOWL
26
F84314-2
Деталь ELBOW (L) (TOP CARB)
27
F85314-1
Деталь TEE (T) (BOTTOM CARB)
28
FK10103-2
Деталь REPAIR KIT-CARBURETOR
29
FK10023
Деталь GASKET SET-CARBURETOR
30
F511708-3
Деталь COVER-CARBURETOR
31
F2192
Деталь SCREW (1/4-20 X 1-3/4")
32
FA178233
Деталь TIE BAR ASSEMBLY-THROTTLE
33
FA85193
Деталь END ASSEMBLY-TIE BAR
34
F1693
Деталь NUT (8-32)
35
F1064
Деталь SCREW (8-32 X 3/8")
36
21058
Деталь E RING-RETAINING
37
F333316
Деталь SHAFT-THROTTLE ROLLER
38
819225
Ролик
39
F1997
Деталь NUT (8-32)
41
816296
Фильтр топливный
42
816311
Деталь CABLE TIE (8")
46
29245
Шайба
-
FK10103-2
Деталь CARB. REPAIR KIT
-
FK10023
Деталь CARB. REPAIR KIT