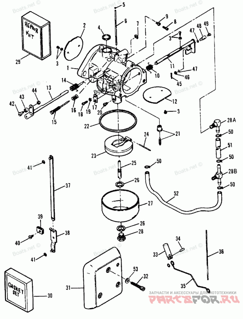
Carburetor (90a,92c)

Force H1208C91A

Force
#oem кодцена
1
F589061-3
Деталь CARBURETOR (TOP - TC-106A)
1
F664061-2
Деталь CARBURETOR (BOTTOM - TC-107A)
2
FO16142
Деталь SHUTTER-THROTTLE
3
F10328
Деталь SCREW-SHUTTER
4
FO16128
Деталь PLUG-WELCH
5
FO10588
Деталь PLUG-CUP
6
FO16993
Деталь TUBE-BY-PASS
7
FO16620
Деталь E-RING-SHAFT
8
F10275
Деталь SCREW-SEALING
9
F10273
Деталь JET (.047)
10
F10285
Деталь SPRING-CHOKE SHAFT
11
FO16301
Деталь SHAFT AND LEVER-CHOKE
12
FO17719
Деталь SHUTTER-CHOKE
13
FO17884
Деталь SHAFT AND LEVER-THROTTLE
14
FO16143
Деталь SPRING-THROTTLE SHAFT
15
F10268
Деталь SCREW-IDLE MIXTURE
16
27160
Деталь SPRING-IDLE MIXTURE SCREW
17
FO9678
Деталь CLIP-CHOKE SHAFT
18
FO1974
Винт
19
FO992
Стопорная шайба
21
FK10264
Деталь NEEDLE-INLET
22
FO15623
Деталь GASKET-FUEL BOWL
23
F10346
Деталь FLOAT-FUEL BOWL
24
FO13944
Деталь PIN-FLOAT
25
FO16133
Жиклер главный
26
FO5323
Деталь GASKET-FUEL BOWL
27
FO16130
Деталь BOWL-FUEL
28
FO16132
Деталь SCREW-FUEL BOWL
28A
F84314-2
Деталь ELBOW (L) (TOP CARB)
28B
F85314-1
Деталь TEE (T) (BOTTOM CARB)
29
FK10103-2
Деталь REPAIR KIT-CARBURETOR
30
FK10023
Деталь GASKET SET-CARBURETOR
31
F511708-3
Деталь COVER-CARBURETOR
32
F2192
Деталь SCREW (1/4-20 X 1-3/8")
33
F391926-1
Деталь PLUNGER-CHOKE
34
F2033
Деталь PIN-GROOVE
35
F440925
Деталь ROD-CHOKE
36
F85509-1
Деталь LINK-CHOKE
37
FA178233
Деталь TIE BAR ASSEMBLY-THROTTLE
38
FA85193
Деталь END ASSEMBLY-TIE BAR
39
F1693
Деталь NUT (8-32)
40
F1064
Деталь SCREW (8-32 X 3/8")
41
21058
Деталь RING-RETAINER
42
F333316
Деталь SHAFT-THROTTLE ROLLER
43
819225
Деталь ROLLER-THROTTLE CAM
44
F1997
Деталь NUT (8-32)
45
26953
Деталь PIN-COTTER
46
27882
Шайба
47
F184579
Уплотнительное кольцо
48
F184033-1
Деталь SWIVEL (TOP CARB)
48
F85033
Деталь SWIVEL (BOTTOM CARB)
49
F1059
Деталь SCREW (6-32 X 1/4")
50
63933
Зажим
53
29245
Шайба
-
FK10103-2
Деталь CARB. REPAIR KIT
-
FK10023
Деталь CARB. GASKET SET