H0908E91H (1991)

Оригинальные запчасти для подвесных лодочных моторов Force

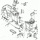
Выбор узла

H0908E91H (1991)