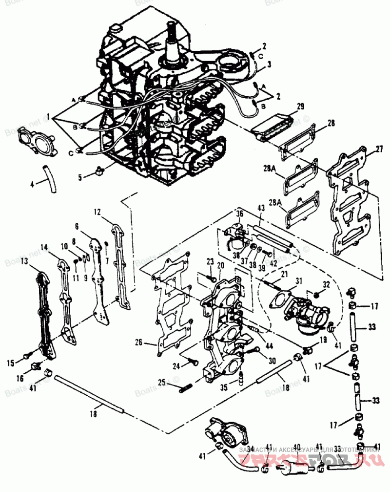
Reed Plate And Recirculation System E009500,e065371

Force H0906F91H

Force
#oem кодцена
1
F743314
Деталь ELBOW, RECIRCULATING
2
42658
Деталь VALVE, CHEC
4
99127109
Деталь HOSE, IMPULSE (4-1/2") CUT AS REQ"D
5
F84314-2
Колено
6
F2A404757
Деталь PLATE ASSEMBLY, REED
7
F93811
Водозаборная решетка
8
F18160-3
Деталь REED
9
F93920
Деталь STOP, REED
10
18552
Шайба
11
F1286
Деталь SCREW (4-40 X 3/16")
12
F85748-2
Деталь GASKET, CYLINDER DRAIN REED PLATE
13
817787A1
Деталь COVER KIT, CYLINDER DRAIN
14
F85472-2
Деталь GASKET, CYLINDER DRAIN COVER
15
76630
Деталь SCREW (1/4-20 X 1")
16
88780
Колено
17
63933
Зажим
19
88780
Колено
20
817959A5
Деталь MANIFOLD KIT, INTAKE
21
826388
Деталь STUD (5/16-18 X 1-1/4") WITH DRI LOC, CARBURETOR
23
F1532
Деталь SCREW (1/4-20 X 1")
24
F2030
Деталь SCREW (1/4-20 X 1-1/4")
25
F433209-1
Деталь STUD, THROTTLE CAM
26
F85159-1
Деталь GASKET, INTAKE MANIFOLD
27
8197351
Деталь ADAPTER, REED PLATE
28
F85168-2
Деталь GASKET (TOP) REED PLATE ADAPTER
28A
819733
Деталь GASKET (CENTER/BOTTOM) REED PLATE ADAPTER
29
11645
Деталь REED PLATE ASSEMBLY
30
F2050
Деталь SCREW (1/4-20 X 1-1/2")
31
F85906
Деталь GASKET, CARBURETOR
32
68292
Деталь NUT (5/16-18)
35
FA698801
Деталь FITTING ASSEMBLY (W/ METERING CUP)
36
819503
Деталь SOLENOID, PRIMER
37
F694504
Уплотнитель резиновый
38
35044
Шайба
39
28636
Деталь SCREW (1/4-20 X 3/4")
40
816296
Фильтр топливный
41
816311
Деталь CABLE TIE (8")
--
56762
Деталь CABLE TIE (4")
44
F695858
Фитинг
-
FG1028-2
Деталь POWERHEAD GASKET SET
-
817608A6
Деталь POWERHEAD ASSEMBLY