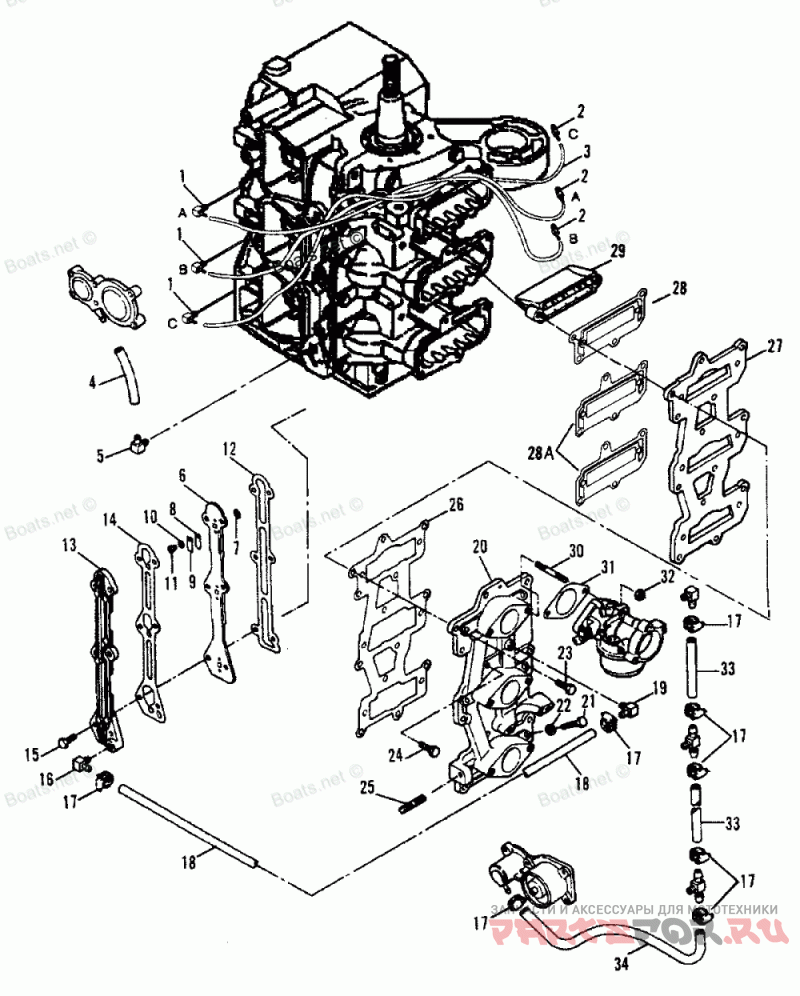
Reed Plate And Recirculation System 91e Thru 92c

Force H0906E91H

Force
#oem кодцена
1
F743314
Деталь ELBOW, RECIRCULATING
2
42658
Клапан
5
F84314-2
Колено
6
F2A404757
Деталь PLATE ASSEMBLY, REED
7
F93811
Водозаборная решетка
8
F18160-3
Деталь REED
9
F93920
Деталь STOP, REED
10
18552
Шайба
11
F1286
Деталь SCREW (4-40 X 3/16")
12
F85748-2
Деталь GASKET, CYLINDER DRAIN REED PLATE
13
817787A1
Деталь COVER KIT, CYLINDER DRAIN
14
F85472-2
Деталь GASKET, CYLINDER DRAIN COVER
15
F1532
Деталь SCREW (1/4-20 X 1")
16
F404801
Фитинг
17
F698772
Зажим
19
8181031
Колено
20
817959A3
Деталь MANIFOLD KIT, INTAKE
21
F2050
Деталь SCREW (1/4-20 X 1-1/2")
22
18678
Шайба
23
F2008
Деталь SCREW (1/4-20 X 7/8")
24
F1699
Деталь SCREW (1/4-20 X 1-1/8")
25
F433209-1
Деталь STUD, THROTTLE CAM
26
F85159-1
Деталь GASKET, INTAKE MANIFOLD
27
8197351
Деталь ADAPTER, REED PLATE
28
F85168-2
Деталь GASKET (TOP) REED PLATE ADAPTER
28
819733
Деталь GASKET (CENTER/BOTTOM) REED PLATE ADAPTER
29
819071A2
Деталь REED PLATE ASSEMBLY (91E THRU 92A)
29
11645
Деталь REED PLATE ASSY (92C)
30
826388
Деталь STUD (5/16-18 X 1-1/4") WITH DRI LOC, CARBURETOR
31
F85906
Деталь GASKET, CARBURETOR
32
68292
Деталь NUT (5/16-18)
--
FG1028-2
Деталь POWERHEAD GASKET SET
-
820725A1
Комплет прокладок