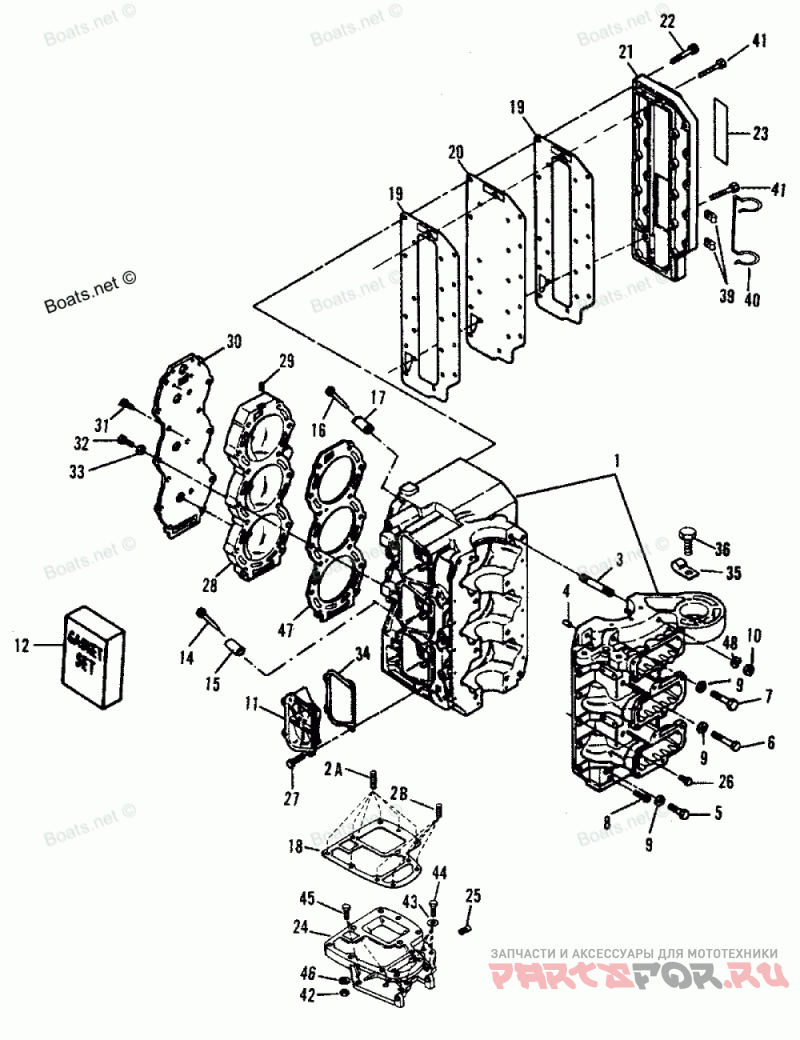
Блок цилиндров

Force H0906E91H

Force
#oem кодцена
--
817608A6
Деталь POWERHEAD ASSY (PAINTED) 91E THRU 92C)
1
817881A5
Деталь CYLINDER BLOCK KIT 91E THRU 92C)
--
817608A17
Деталь POWERHEAD ASSY (PAINTED)
1
817608A18
Деталь CYLINDER BLOCK KIT
2A
826391
Деталь STUD (3/8-16 X 3.11") WITH DRI LOC
2B
826395
Деталь STUD (3/8-16 X 2-1/4") WITH DRI LOC
3
826394
Деталь STUD (3/8-16 X 3.84") WITH DRI LOC
4
20433
Деталь PIN, DOWEL (3/8" X 1") (STYLE I)
4
43044
Деталь PIN, DOWEL (3/8" X 5/8") (STYLE II)
5
32132
Деталь SCREW (3/8-16 X 1-3/4")
6
53734
Деталь SCREW (3/8-16 X 3") 817608A17
7
47688
Деталь SCREW (3/8-16 X 2-3/4")
8
820589
Деталь SCREW (1/4-20 X 1-1/4")
9
37828
Шайба
10
86226
Деталь NUT (3/8-16)
11
817790A1
Деталь COVER KIT, TRANSFER PORT
12
FG1028-2
Деталь GASKET SET (91E/92C)
12
820725A1
Комплет прокладок
14
F719372
Деталь PIN, WATER JACKET TUBE
15
F719418
Деталь TUBE, WATER JACKET
16
F691372
Деталь PIN, WATER JACKET TUBE (TOP)
17
F719943
Деталь TUBE, WATER JACKET (TOP)
18
819381
Деталь GASKET, SPACER PLATE
19
819023
Деталь GASKET, EXHAUST PORT PLATE
20
8192831
Деталь PLATE, EXHAUST PORT
21
F692152
Деталь COVER, EXHAUST PORT
22
76213
Деталь SCREW (1/4-20 X 1-1/8")
23
F529398-1
Деталь DECAL, WIRING (91E /92C)
24
819750A1
Деталь PLATE KIT, SPACER
25
F695275
Деталь FITTING, (1/2-14)
26
28636
Деталь SCREW (1/4-20 X 3/4")
27
98254
Деталь SCREW (1/4-20 X 5/8")
28
819857
Головка цилиндров
29
F722109-1
Деталь PLUG, CYLINDER HEAD
30
F692995
Крышка головки цилиндра
31
98254
Деталь SCREW (1/4-20 X 5/8")
32
F1883
Деталь SCREW (5/16-18 X 2-3/8")
33
34437
Шайба
34
820500
Деталь GASKET, TRANSFER PORT COVER
35
55098
Деталь J CLIP
36
28636
Деталь SCREW (1/4-20 X 3/4")
39
820437
Деталь CLIP, RETAINER
40
92753
Деталь RETAINER, WIRING HARNESS
41
F901938-1
Винт
42
68411
Деталь NUT (3/8-16)
43
20553
Шайба
44
37612
Деталь SCREW (3/8-16 X 1-1/4")
45
68101
Деталь SCREW (3/8-16 X 1-3/8")
46
58643
Деталь LOCKWASHER (3/8")
47
820438
Прокладка
48
35048
Деталь LOCKWASHER (3/8")
-
817608A6
Деталь POWERHEAD ASSEMBLY
-
817608A17
Деталь POWERHEAD ASSEMBLY
-
FG1028-2
Комплет прокладок
-
820725A1
Комплет прокладок