Ignition Components (1991b - 1992c)

Force H0708G91B

Force
#oem кодцена
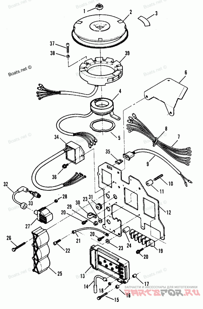
1
F1968
Деталь NUT (3/4-16)
2
817494A2
Деталь FLYWHEEL ASSEMBLY
3
FA609853
Деталь DECAL KIT, Shift to Neutral
4
817029A3
Деталь TRIGGER ASSEMBLY
5
F2442
Шайба
6
819111
Деталь GUARD, Ignition Harness
7
817441A1
Деталь HARNESS ASSEMBLY, Coil to Switchbox
8
816311
Деталь CABLE TIE (8")
9
19637
Деталь SOCKET, Fuse
10
F746210
Деталь STUD (5/16-18 x 2-1/4")
11
F722932
Деталь SPACER, Ignition Plate
12
8172685
Деталь PLATE, Ignition Mounting
13
7778A12
Деталь SWITCHBOX ASSEMBLY
14
88807A34
Деталь CABLE ASSEMBLY
15
812987
Деталь SCREW (10-24 x 1-1/4")
16
94304
Проставка
17
91912
Втулка
18
45076
Деталь NUT (10-32)
19
817492
Деталь BLOCK, Terminal (91B Thru 92C)
20
41805
Деталь SCREW (10-24 x 5/8")
21
88807A29
Деталь CABLE ASSEMBLY (BLACK)
22
F2192
Деталь SCREW (1/4-20 x 1-3/4") 1991B Thru 1992C
23
71055
Деталь WASHER 1991B Thru 1992C
24
F722452
Деталь SPACER 1991B Thru 1992C
25
43542
Деталь COVER, Coil
26
817458
Деталь SCREW (10-24 x 2-1/4")
27
7370A23
Деталь COIL ASSEMBLY, Ignition
28
45076
Деталь NUT (10-24)
29
F7006
Деталь NUT (5/16-18)
30
63153
Деталь CLIP (91B Thru 92C &
31
817491
Уплотнитель резиновый
32
821945A28
Деталь CABLE ASSEMBLY, High Tension
33
97180
Деталь SPARK PLUG (NGK # BUHW)
33
14103550
Деталь SPARK PLUG (RFI) (NGK # BUZHW)
34
817411
Деталь RECTIFIER (91B Thru 92C)
34
8174111
Регулятор напряжения
35
812619
Деталь FUSE (20 AMP)
36
817505
Деталь SCREW (1/4-20 x 5/8")
37
76566
Деталь SCREW (10-24 x 1")
38
26996
Деталь LOCKWASHER (#10)
39
8778A10
Деталь STATOR ASSY. (91B Thru 92C)
39
8778A26
Деталь STATOR ASSEMBLY
--
56762
Деталь CABLE TIE (4")
--
818153A6
Деталь POWERHEAD ASSEMBLY