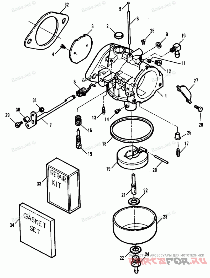
Карбюратор

Force H0708E91C

Force
#oem кодцена
1
826369
Деталь CARBURETOR (TC-111B)
2
FO16128
Деталь PLUG, Welch
3
F10361
Деталь SHUTTER, Throttle
4
F10328
Деталь SCREW, Shutter
5
FO10588
Деталь PLUG, Cup
6
FO16993
Деталь TUBE, By-pass
7
FO17884
Деталь SHAFT, Throttle
8
FO16143
Деталь SPRING, Throttle Shaft
9
FO16620
Деталь E-RING, Throttle Shaft
10
F84314-2
Деталь ELBOW, Fuel
11
820709
Деталь JET (.044), Throttle
12
F10275
Деталь SCREW, Sealing
13
F10274
Деталь NOZZLE, Priming
15
F10268
Деталь SCREW, Idle Mixture
16
27160
Деталь SPRING, Idle Mixture Screw
17
F10265
Деталь NEEDLE, Inlet
18
FO15623
Деталь GASKET, Fuel Bowl
19
F10346
Деталь FLOAT, Fuel Bowl
20
FO13944
Палец
21
F10360
Главный жиклер
22
FO5323
Деталь GASKET, Fuel Bowl
23
FO16130
Деталь BOWL, Fuel
24
F10267
Деталь SCREW ASSEMBLY, Fuel Bowl
25
F10367
Деталь SEAT, Inlet
26
820710
Деталь JET (.032), Nozzle Well Air Bleed
27
819209
Деталь DEFLECTOR, Carburetor
28
73286
Деталь SCREW (1/4-20 x 1/2")
29
F333316
Деталь SHAFT, Throttle Roller
30
819225
Деталь ROLLER, Throttle Cam
31
F1997
Деталь NUT (8-32)
32
F440906
Деталь GASKET, Carburetor
33
820576A1
Деталь REPAIR KIT, Carburetor
34
FK10023
Деталь GASKET SET, Carburetor