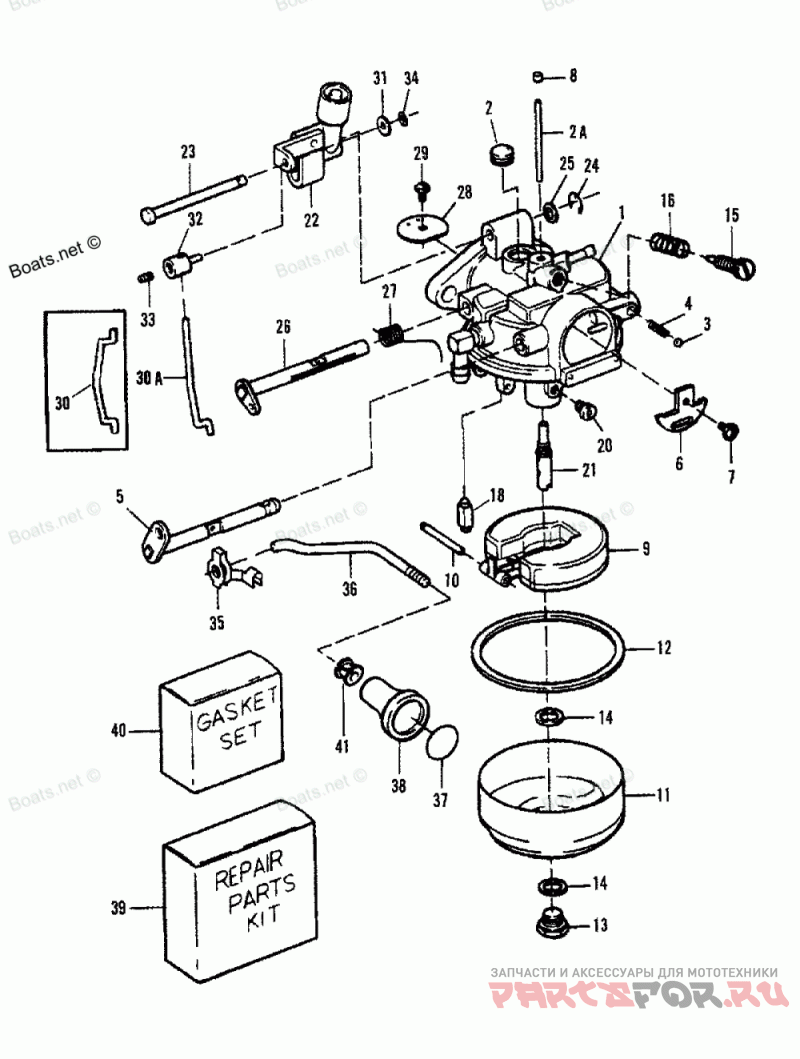
Carburetor (9.9 - 88a-92b & Ser. # E000001 Thru E127699) (1

Force H0152F91D

Force
#oem кодцена
1
F714061
Деталь CARB (HO-5A)
1
F6820612
Деталь CARBURETOR (HO-1C) (88B/90A) - (9.9)
1
F6810612
Деталь CARBURETOR (HO-2C) (88A MODELS)
26
FO15757
Деталь SHAFT-THROTTLE (9.9) (88B/90A)
2
FO2531
Деталь PLUG-WELCH
26
FO15718
Деталь SHAFT-THROTTLE (9.9) (88A MODELS)
2A
F10235
Деталь TUBE-BY PASS (88A/90A)
3
FO4784
Шарик
4
FO8805
Деталь SPRING-CHOKE FRICTION
26
F10339
Деталь SHAFT (9.9)
5
FO15736
Деталь SHAFT-CHOKE
27
F10246
Деталь SPRING-THROTTLE SHAFT
28
FO16878
Деталь SHUTTER-THROTTLE (88A/90A)
6
F10236
Деталь SHUTTER-CHOKE
28
F10354
Деталь SHUTTER (9.9)
7
FO10280
Деталь SCREW-SHUTTER
8
FO10588
Деталь PLUG-CUP
29
FO10280
Деталь SCREW (88A/90A)
9
F10346
Деталь FLOAT-FUEL BOWL
29
F10328
Деталь SCREW (9.9)
30
F10338
Деталь LINK-THROTTLE (9.9) (91A/92B & SER. # E000001 - E127699)
10
FO13944
Деталь PIN-FLOAT
30A
F681509
Деталь LINK-THROTTLE (88A/90A)
11
FO15366
Деталь BOWL-FUEL
12
FO15623
Деталь GASKET-FUEL BOWL
31
27882
Шайба
13
5128
Деталь SCREW-FUEL BOWL
32
F681033
Деталь SWIVEL
14
FO2510
Деталь GASKET-FUEL BOWL
33
F2215
Деталь SCREW (6-32 X 3/16")
34
F9030
Седло
15
FO15520
Деталь NEEDLE-IDLE MIXTURE
35
F341384
Деталь RETAINER-CHOKE ROD
16
27160
Деталь SPRING-IDLE MIXTURE SCREW
18
F10265
Деталь NEEDLE-INLET
36
F617503
Деталь ROD-CHOKE (9.9) (88A/90A)
36
819348
Деталь ROD (9.9)
37
F681677
Деталь INSERT-CHOKE KNOB
38
F286547
Деталь KNOB-CHOKE
39
FK10295
Деталь REPAIR KIT-CARBURETOR (9.9/15)
40
FK10294
Деталь GASKET SET(9.9-88A) (91A/92B & SER. # E000001-E127699)
40
FK10000
Деталь GASKET SET (9.9) (88B/90A)
41
F197319
Втулка
21
F10238
Жиклер главный
22
F10239
Деталь LINKAGE (88A/90A)
22
F10290
Деталь LINKAGE (9.9)(91A/92B & SER.#E000001-E127699)
23
F10240
Деталь SHAFT-LINKAGE
24
F10241
Деталь E RING-LINKAGE SHAFT
25
F10242
Шайба
-
FK10295
Деталь REPAIR KIT
-
FK10294
Комплет прокладок