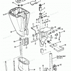
H0093L91D (1991)

Оригинальные запчасти для подвесных лодочных моторов Force

Выбор узла

H0093L91D (1991)