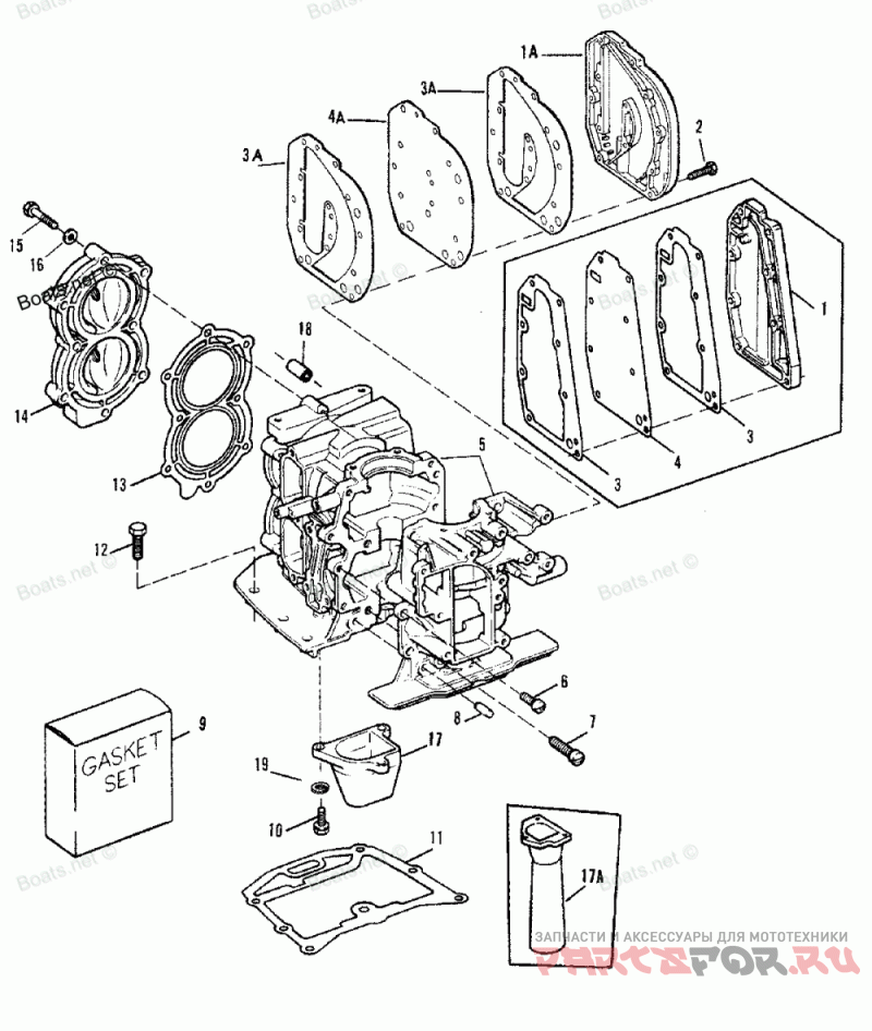
Cylinder Block (88a-92b & Ser. # E000001 Thru E127699)

Force H0093E91C

Force
#oem кодцена
-
819553A14
Деталь SHORT BLOCK (PAINTED)
1
F286152
Деталь COVER-EXHAUST (9.9) (88A/92A)
1A
824141T
Деталь COVER-EXHAUST (9.9)
2
F2008
Деталь SCREW (1/4-20 X 7/8") (FOR F286152 COVER)
2
28668
Деталь SCREW (1/4-20 X 7/8") (FOR F715152 OR 824141T COVER)
3
F286154
Деталь GASKET-EXHAUST COVER (9.9) (88A/92A)
3A
F715154
Деталь GASKET-COVER (9.9) (92B & SER. # E000001 - E127699)
4
F286151
Деталь PLATE-EXHAUST (9.9) (88A/92A)
4A
F715151
Деталь PLATE-EXHAUST (9.9) (92B & SER. # E000001 - E127699)
5
819553A12
Деталь CYLINDER KIT(9.9)
5
819089A3
Деталь CYLINDER KIT (9.9) (88A/91A)
6
F1107
Деталь SCREW (1/4-20 X 3/4")
7
F1335
Деталь SCREW (5/16-18 X 1-1/4")
8
F8559
Штифт
9
FG10053
Деталь GASKET SET (9.9) (88A/92A)
9
FG1036
Деталь GASKET SET(9.9) (92B & SER.#E000001-E127699)
9
FG1035
Деталь GASKET SET(15)
10
F2040
Деталь SCREW (1/4-20 X 5/8") (USE WITH F487660-1 TUBE)
10
28636
Деталь SCREW (1/4-20 X 3/4") (USE WITH F715660 TUBE)
11
F7152791
Деталь GASKET-MOUNT (9.9) (91C/92B & SER.#E000001-E127699)
11
F2862792
Деталь GASKET-CYL MOUNT (9.9) (88A/91B)
12
35386
Деталь SCREW (5/16-18 X 1")
13
F2865293
Деталь GASKET-CYLINDER HEAD
14
F703518T
Деталь HEAD-CYLINDER (9.9)
14
F286518T
Деталь HEAD-CYLINDER (9.9) (88A/89B)
15
F9019381
Деталь SCREW-CYLINDER HEAD
16
37998
Шайба
17
F4876601
Деталь TUBE-EXHAUST (9.9) (88A/91A)
17A
F715660
Деталь TUBE-EXHAUST (15)
18
F715943
Деталь TUBE-WATER JACKET
19
26992
Деталь LOCKWASHER (1/4") (15)
-
FG1035
Комплет прокладок
-
FG1036
Комплет прокладок
-
FG1005-3
Комплет прокладок