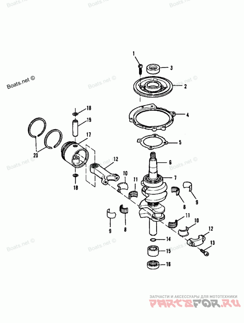
Crankshaft And Piston (88a-92b & Ser. # E000001 Thru E12769

Force H0093E91A

Force
#oem кодцена
1
28636
Деталь SCREW (1/4-20 X 3/4")
2
817753A1
Деталь CAGE ASSEMBLY-CRANKSHAFT
3
819801
Уплотнение
4
F73082
Деталь RING-MAG. STATOR
5
F286277
Деталь GASKET-CRANKSHAFT BEARING CAGE
6
819803A2
Деталь CRANKSHAFT ASSEMBLY
7
F286028
Подшипник
8
F286571
Деталь ROLLER SET (26)
9
FA286155
Деталь LINER SET-CENTER MAIN ROLLERS
10
817755A1
Деталь LINER SET-CONN ROD
11
FA517228
Деталь ROLLER SET (52)
12
819950A1
Деталь CONN ROD KIT (2 PCS-STEEL)
13
F2866341
Деталь SCREW-CONN ROD
11
FA712228
Деталь ROLLER SET (2 STRIPS-28 PER)
12
FS715016
Деталь CONNECTING ROD ASSEMBLY
13
F175634
Деталь SCREW-CONN ROD
14
32509
Кольцо
15
F343014
Деталь BEARING-CRANKSHAFT LOWER MAIN
16
819396
Деталь SEAL-CRANKSHAFT LOWER
17
F4720152
Деталь PISTON (9.9) (88A/91A)
17
819946A3
Деталь PISTON KIT (9.9)
18
F31410
Стопорное полукольцо
19
F712017
Палец поршневой
20
820484A1
Деталь RING SET-2 RINGS