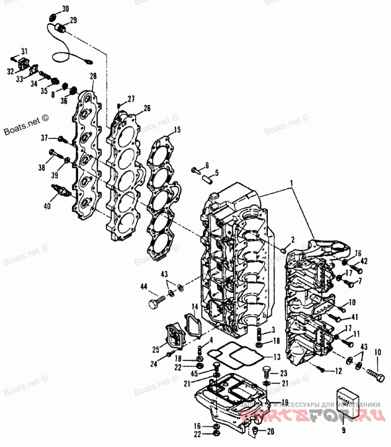
Блок цилиндров

Force H1508F90C

Force
#oem кодцена
_
818155A16
Деталь POWERHEAD ASSEMBLY (All Models)
1
817880A3
Деталь CYLINDER BLOCK KIT
1
819338A2
Деталь CYLINDER BLOCK KIT
1
818155A13
Деталь CYLINDER BLOCK KIT
2
20433
Деталь PIN-Dowel (.375 x 1.00)
2
43044
Деталь PIN-Dowel (.375 x .620)
3
826395
Деталь STUD (.375-16 x 2.250)
4
826391
Деталь STUD (.375-16 x 3.110)
5
F719418
Деталь TUBE-Water Jacket
6
F719372
Деталь PIN-Water Jacket Tube
7
47688
Деталь SCREW (.375-16 x 2.750)
8
F719902
Деталь SPACER-Thermostat
9
FG1027-2
Деталь GASKET SET-Powerhead
10
28636
Деталь SCREW (.250-20 x .750)
11
94207
Деталь SCREW (.375-16 x 2.00)
12
820589
Деталь SCREW (.250-20 x 1.250)
13
F694278
Деталь SEAL-Spacer Plate
14
820500
Деталь GASKET-Transfer Port Covers
15
F694529-1
Деталь GASKET-Cylinder Head
16
20553
Шайба
17
37828
Шайба
18
20553
Шайба
19
F694680-1
Деталь PLATE-Spacer
20
F40689-1
Деталь BEARING-Towershaft Lower
21
58643
Деталь LOCKWASHER (.375)
22
68411
Деталь NUT (.375-16)
23
37612
Деталь SCREW (.375-16 x 1.250)
24
98254
Деталь SCREW (.250-20 x .620)
25
817790A1
Деталь COVER KIT-Transfer Port
26
F694518
Головка блока цилиндров
27
47945
Заглушка
26
819787
Головка блока цилиндров
27
F722109-1
Заглушка
28
F694995
Деталь COVER-Cylinder Head
29
819022
Деталь THERMOSWITCH
29
8190221
Деталь THERMOSWITCH
30
F717096
Стопорное полукольцо
31
19927075
Деталь SCREW (.250-20 x .750)
32
F476066-1
Деталь COVER-Thermostat
33
F476067
Деталь GASKET-Thermostat Cover
34
F692268
Деталь SPRING (Red)
35
F664068
Деталь THERMOSTAT (130 Degrees)
36
F664914
Деталь SEAL-Thermostat
37
F2008
Деталь SCREW (.250-20 x .875)
38
F1883
Деталь SCREW (.312-18 x 2.375)
39
34437
Шайба
40
8180071
Деталь SPARK PLUG (Champion # UL-18V)
40
827C
Деталь SPARK PLUG (Champion # L-76V)
40
898
Деталь SPARK PLUG (RFI) (Champion # QL-76V)
41
F2228
Деталь SCREW (.375-16 x 3.00)
42
F1874
Деталь SCREW (.375-16 x 3.125)
43
78968
Деталь LOCKWASHER (.250 Internal)
44
F1999
Деталь SCREW (.250-20 x .875)
45
68101
Деталь SCREW (.375-16 x 1.375)
NS
819526
Деталь DECAL-Throttle Cable Adjust