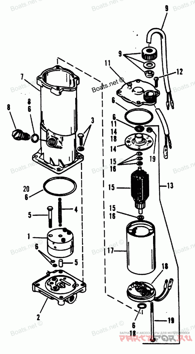
Pump-motor Kit

Force H1508F90B

Force
#oem кодцена
_
819480A1
Деталь PUMP/MOTOR KIT
_
819480A2
Деталь PUMP/MOTOR KIT
1
811702
Деталь PUMP KIT
2
823085
Деталь MANIFOLD KIT
3
813436
Деталь SCREW AND WASHER KIT (4 Each)
4
813437
Деталь DRIVESHAFT
5
811697
Деталь SCREW/DOWEL PIN KIT
6
813439A2
Комплект сальников
7
813434A1
Деталь RESERVOIR
8
813435
Деталь PLUG KIT
9
811698
Деталь WIRING HARNESS
11
813445
Деталь CAP KIT-Reservoir
12
813446
Деталь SCREW KIT (4 Each)
13
813447
Деталь MOTOR KIT
14
813448
Деталь END CAP
15
813449A1
Деталь ARMATURE
16
813450
Деталь THRUST WASHER KIT
17
813451
Деталь SHELL AND MAGNET KIT
18
813452
Деталь END FRAME KIT
19
813453
Деталь BOLT AND NUT KIT
20
819638
Кольцо