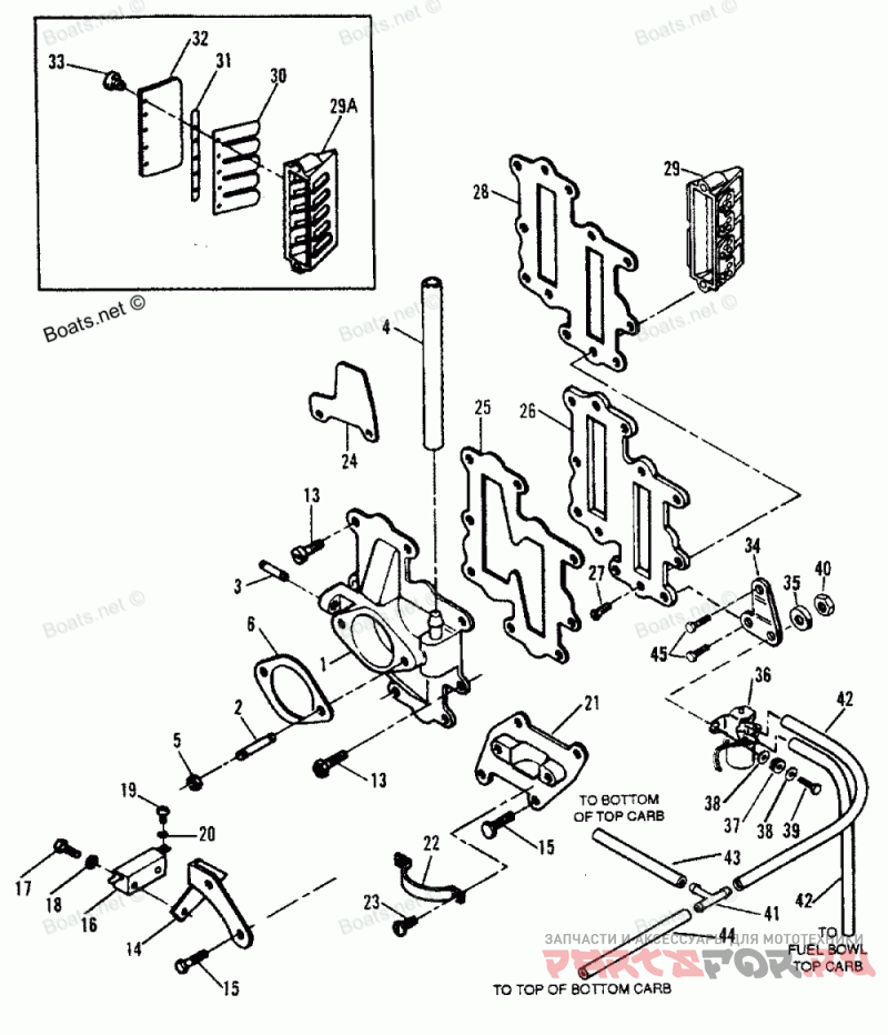
Reed Plate And Primer

Force H1208F90C

Force
#oem кодцена
1
817799A1
Деталь ADAPTER ASSEMBLY-UPPER
1
817800A1
Деталь ADAPTER ASSEMBLY-LOWER
2
826387
Деталь STUD (3/8-16 X 1-5/8") WITH DRI LOC
3
826389
Деталь STUD (1/4-20 X 1") WITH DRI LOC
4
817736
Деталь HOSE (6")
5
86226
Деталь NUT (3/8-16)
6
F440906
Деталь GASKET-CARBURETOR
13
F1532
Деталь SCREW (1/4-20 X 7/8")
14
819776
Деталь BRACKET-INTERLOCK
15
F1532
Деталь SCREW (1/4-20 X 1")
16
F84449
Деталь SWITCH-INTERLOCK
17
F2016
Деталь SCREW (6-32 X 7/8")
18
27882
Шайба
19
69080
Деталь SCREW (6-32 X 1/4")
20
F1704
Деталь LOCKWASHER (#6 INT)
21
F372958
Деталь BRACKET-CHOKE
22
F85317-3
Деталь CLAMP-CHOKE
23
98253
Деталь SCREW (1/4-20 X 1/2")
24
F500894
Деталь POINTER-TIMING
25
F178168-1
Деталь GASKET-CARBURETOR ADAPTER
26
820501
Деталь PLATE-DEFLECTOR
27
826380
Деталь SCREW (1/4-20 X 5/8") WITH DRI LOC
28
F406406
Деталь GASKET-DEFLECTOR PLATE
29
11645
Деталь REED PLATE ASSY
29A
818108A1
Деталь REED PLATE ASSEMBLY
30
F530160
Деталь REED (5 PETAL)
31
F523451
Проставка
32
F85161-1
Деталь STOP-REED
33
F2293
Деталь SCREW (6-32 X 5/16")
34
819705
Деталь BRACKET-SOLENOID
35
F694359
Проставка
36
819503
Деталь SOLENOID-PRIMER
37
F694504
Уплотнитель резиновый
38
35044
Шайба
39
28636
Деталь SCREW (1/4-20 X 3/4")
40
814101
Деталь NUT (1/4-20)
41
F694922
Деталь FITTING-TEE
45
F2030
Деталь SCREW (1/4-20 X 1-1/4")
-
56762
Деталь CABLE TIE (4")
-
FG1026-2
Деталь POWERHEAD GASKET SET
-
820726A1
Деталь POWERHEAD GASKET SET
-
818154A12
Деталь POWERHEAD ASSEMBLY
-
FK10023
Деталь CARB. GASKET SET