• О Компании
  • Оплата и Доставка
  • Помощь
  • Обратная связь
  • Контакты
  • Telegram
  • ВКонтакте
  • Telegram
  • ВКонтакте
  • Регистрация
  • Авторизация
Интернет магазин мотозапчастей PartsFor.ru
Москва и регионы России
  • Личный кабинет
    • Заказы
    • Оплаты
    • Отгрузки
    • Сообщения
    • Профиль
    • Выход
  • Оригинальные запчасти
    • Для мотоциклов
    • Yamaha
    • Honda
    • Suzuki
    • Kawasaki
    • Harley Davidson
    • Ducati
    • Can-Am
    • Aprilia
    • BMW
    • Triumph
    • Husaberg
    • Husqvarna
    • KTM
    • Indian
    • Victory
    • Slingshot
    • Для мотоциклов
    • Для квадроциклов
    • Для снегоходов
    • Для мотовездеходов
    • Для гидроциклов
    • Для лодочных моторов
    • Для катеров
    • Для судовых двигателей
    • Для генераторов
    • Для квадроциклов
    • Yamaha
    • Honda
    • Suzuki
    • Kawasaki
    • Arctic Cat
    • Can-Am
    • Polaris
    • KTM
    • Для снегоходов
    • Yamaha
    • Arctic Cat
    • Lynx
    • Ski-Doo
    • Polaris
    • Для генераторов
    • Для мотовездеходов
    • Yamaha
    • Honda
    • Suzuki
    • Kawasaki
    • Arctic Cat
    • Can-Am
    • Polaris
    • Polaris RZR
    • Для гидроциклов
    • Yamaha
    • Honda Marine
    • Kawasaki
    • Arctic Cat
    • Polaris
    • Sea-Doo
    • Для лодочных моторов
    • Для катеров
    • Для суд. двигателей
    • Для генераторов
    • Для лодочных моторов
    • Yamaha
    • Honda Marine
    • Suzuki Marine
    • Evinrude
    • Johnson
    • Nissan
    • Tohatsu
    • Mercury
    • Force
    • Mariner
    • Для катеров
    • Yamaha
    • Sea-Doo
    • Для суд. двигателей
    • Для спецтехники
  • Неоригинал, расходники
  • Заказ по каталогам
    • КАТАЛОГ PARTS UNLIMITED
  • Моторезина
  1. Главная
  2. Запчасти для лодочных моторов
  3. Force
  4. 1990
  5. H1201X90A

H1201X90A (1990)

Оригинальные запчасти для подвесных лодочных моторов Force

Выбор узла

H1201X90A (1990)
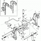
  • H1201X90A Нижняя часть колпака
    Нижняя часть колпака
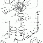
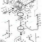
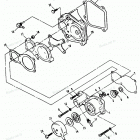
  • H1201X90A Carburetor (0e009500 - 0e093699)
    Carburetor (0e009500 - 0e093699)
  • H1201X90A Carburetor (90a,92c)
    Carburetor (90a,92c)
  • H1201X90A Коленвал и поршни
    Коленвал и поршни
  • H1201X90A Блок цилиндров
    Блок цилиндров
  • H1201X90A Design I - Power Trim Unit With Bayonet Connectors
    Design I - Power Trim Unit With Bayonet Connectors
  • H1201X90A Design Ii - Power Trim Unit With Bullet Connectors
    Design Ii - Power Trim Unit With Bullet Connectors
  • H1201X90A Design Iii - Power Trim Unit With Bullet Connectors
    Design Iii - Power Trim Unit With Bullet Connectors
  • H1201X90A Дейвуд
    Дейвуд
  • H1201X90A Электрика
    Электрика
  • H1201X90A Flared Hub Props
    Flared Hub Props
  • H1201X90A Fuel Pump Assembly (0e065372 - 0e093699)
    Fuel Pump Assembly (0e065372 - 0e093699)
  • H1201X90A Fuel Pump Assembly (90a,92c)
    Fuel Pump Assembly (90a,92c)
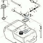
  • H1201X90A Fuel Tank And Line (90a ,92c)
    Fuel Tank And Line (90a ,92c)
  • H1201X90A Fuel Tank And Line (plastic - 6.6 Gallon)
    Fuel Tank And Line (plastic - 6.6 Gallon)
  • H1201X90A Gear Housing
    Gear Housing
  • H1201X90A Gear Shift Linkage (0e009500 - 0e093699)
    Gear Shift Linkage (0e009500 - 0e093699)
  • H1201X90A Gear Shift Linkage (90a,92c)
    Gear Shift Linkage (90a,92c)
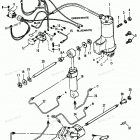
  • H1201X90A Ignition Components (90a,91c)
    Ignition Components (90a,91c)
  • H1201X90A Ignition Components (91d,92c)
    Ignition Components (91d,92c)
  • H1201X90A Miscellaneous Engine Parts
    Miscellaneous Engine Parts
  • H1201X90A Overheat Buzzer
    Overheat Buzzer
  • H1201X90A Pump-motor Kit
    Pump-motor Kit
  • H1201X90A Recirculation System (0e065372 - 0e093699)
    Recirculation System (0e065372 - 0e093699)
  • H1201X90A Recirculation System (90a,92c)
    Recirculation System (90a,92c)
  • H1201X90A Reed Plate And Primer
    Reed Plate And Primer
  • H1201X90A Remote Control (90a,92c)
    Remote Control (90a,92c)
  • H1201X90A Стартер
    Стартер
  • H1201X90A Комплект Тяги рулевого механизма
    Комплект Тяги рулевого механизма
  • H1201X90A Swivel Bracket-stern Brackets
    Swivel Bracket-stern Brackets
  • H1201X90A Термостат
    Термостат
  • H1201X90A Tilt Cylinder & Motor & Pump (design I)
    Tilt Cylinder & Motor & Pump (design I)
  • H1201X90A Tools - Special
    Tools - Special
  • H1201X90A Верхняя часть колпака
    Верхняя часть колпака
  • H1201X90A Towershaft And Throttle Linkage (0e009500 - 0e093699)
    Towershaft And Throttle Linkage (0e009500 - 0e093699)
  • H1201X90A Towershaft And Throttle Linkage (90a,92c)
    Towershaft And Throttle Linkage (90a,92c)
  • H1201X90A Цилиндр Подъема
    Цилиндр Подъема


  Информация
  • Новости
  • О Компании
  • Оплата и Доставка
  • Помощь
  • Обратная связь
  • Контакты
  OEM запчасти
  • Запчасти для мотоциклов
  • Запчасти для квадроциклов
  • Запчасти для снегоходов
  • Запчасти для мотовездеходов
  • Запчасти для гидроциклов
  • Запчасти для лодочных моторов
  Наши контакты
  • ИП Зуев Артем Павлович
  • г. Москва 2-я Хуторская улица, д.29, офис 214
  • Email: info@partsfor.ru

Тел: ‎8(495) 532-03-60
8(909) 958-46-33; 8(925) 200-16-98

* все разговоры записываются
С 10.00 до 19.00 ПН - ПТ

© 2026 Интернет магазин запчастей для мототехники ПартсФор.

  • PaymentGateway
  • PaymentGateway
Договор-оферта
Образец договора для юр.лиц
Пользовательское соглашение
Политика конфиденциальности

Товар добавлен в корзину

Выбранный товар добавлен в Вашу корзину.
Далее Вы можете перейти в корзину для оформления заказа или закрыть это окно и продолжить покупки.

Перейти в корзину

Выбор модели техники

Выбрать