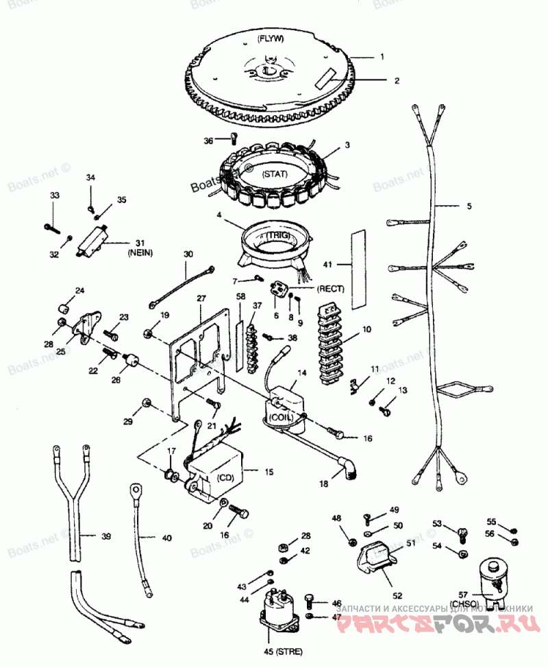
Электрика

Force H0508F90D

Force
#oem кодцена
1
FA658097
Маховик
2
FA609853
Наклейка
3
F663095-3
Статор
4
F684029-1
Спусковое устройство-триггер
5
F662744
Деталь ENGINE WIRE HARNESS
6
F369450
Регулятор напряжения
7
F1303
Деталь SCREW, 8 - 32 X 3/4
8
F1704
Шайба
9
F1645
Деталь SCREW, 6 - 32 X 1/4
10
FA616497
Деталь TERMINAL BLOCK
11
F307317
Деталь TERMINAL JUMPER CLIP
12
F1975
Стопорная шайба
13
F1974
Деталь SCREW, 10 - 24 X 5/8
14
F684475-1
Деталь COIL (BLUE)
15
F685301-2
Деталь CD UNIT (BLUE)
16
F1999
Деталь SCREW, 1/4 - 20 X 7/8
17
F475504
Уплотнитель резиновый
18
FK1123
Деталь SPARKIE KIT
19
F1341
Деталь NUT, 1/4 - 20
20
F8008
Шайба
21
F1822
Деталь SCREW, 5/16 - 18 X 7/8
22
F1858
Деталь SCREW, 5/16 - 18 X 1
23
F1858
Деталь SCREW, 5/16 - 18 X 1
24
F684929
Проставка
25
F684358
Крепление
26
F684962
Деталь MOUNT
27
817977A1
Крепление
28
F1515
Деталь NUT, 5/16 - 18
29
F1832
Деталь LOCKNUT, 1/4 - 20
30
F319908
Деталь WIRE, GROUND
31
F84449
Деталь SWITCH, NEUTRAL INTERLOCK
32
F8088
Деталь FLATWASHER
33
F2016
Деталь SCREW, 6 - 32 X 7/8
34
F1645
Деталь SCREW, 6 - 32 X 1/4
35
F1704
Шайба
36
F2200
Деталь SCREW, 12 - 24 X 1
37
F658497
Деталь BLOCK, TERMINAL
38
F1552
Деталь SCREW, 8 - 32 X 1/2
39
F629896
Деталь CABLE, BATTERY (11 FT.)
F381896-4
Деталь CABLE, BATTERY (7 FT. 10 INCHES)
40
F307683
Деталь WIRE, CIRCUIT BREAKER
41
F529398-1
Деталь DECAL, WIRING
42
F8096
Стопорная шайба
43
F1513
Деталь NUT, 10 - 32
44
F1975
Стопорная шайба
45
F460917-1
Реле стартера
46
F1238
Деталь SCREW, 1/4 - 20 X 3/4
47
F8094
Шайба
48
F1513
Деталь NUT, 10 - 32
49
F1733
Деталь SCREW, 10 - 24 X 9/16
50
F8011
Шайба
51
F510460
Деталь CIRCUIT BREAKER
52
F91446-2
Крепление
53
F1854
Деталь SCREW, 1/4 - 20 X 5/8
54
F8083
Деталь SPRING LOCKWASHER
55
F1647
Деталь HEX NUT, 8 - 32
56
F8056
Деталь SPRING LOCKWASHER
57
817760A2
Деталь CHOKE SOLENOID
58
F691025
Деталь PAD, INSULATING