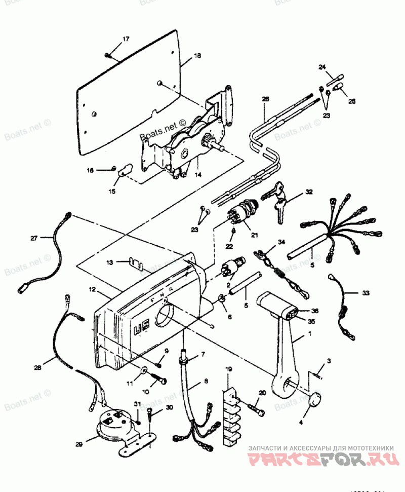
Дистанционное управление

Force H1258F89B

Force
#oem кодцена
1
F660611
Деталь LEVER W/TRIM SWITCH
2
FK681602
Деталь SWITCH (EMERGENCY STOP)
3
F660165
Деталь SCREW (LEVER TO ACTUATOR)
4
F660332
Деталь PLUG (WARM-UP BUTTON)
6
F660446
Деталь CLAMP (REMOTE ELECT. CABLE)
7
F660504
Деталь GROMMET (REMOTE ACCESSORY CABLE)
8
F660353
Деталь CABLE ACCESSORY
9
F660480
Деталь SCREW (COVER TO ACTUATOR)
10
F660732
Деталь SCREW (CONTROL MOUNTING)
11
F660595
Деталь WASHER (CONTROL MTG. SCREWS)
12
F660995
Деталь COVER (ASSEMBLY - REMOTE CONTROL)
13
F660642
Деталь RETAINER (REMOTE CABLE)
14
F660327
Деталь ACTUATOR (ASSEMBLY - REMOTE CONTROL)
15
F660141-1
Деталь CONNECTOR (CABLE - REMOTE CONTROL)
16
F660411
Деталь RING (RETAINING)
17
F660751
Деталь SCREW (PLATE TO ACTUATOR)
18
F660911
Деталь PLATE (REMOTE CONTROL)
19
F660497
Деталь BLOCK (TERMINAL)
20
F1741
Деталь SCREW (TERMINAL BLOCK)
21
F5H077
Деталь SWITCH (ACCESSORY ITEM)
22
F1280
Деталь SCREW (IGN. SWITCH WIRE TERMINAL)
23
F1513
Деталь STOP NUTS (CABLE END)
24
FA58976-1
Деталь CONNECTOR (THROTTLE)
25
F58685-2
Деталь CONNECTOR (SHIFT)
26
F195/__
Деталь REMOTE CONTROL CABLE (SPECIFY LENGTH - X)
27
F660664
Деталь WIRE (IGN. SWITCH TO ACC. TERMINAL BLOCK)
28
F404841
Деталь CABLE, OVERHEAT BUZZER
29
F5H073-1
Деталь BUZZER, OVERHEAT (ACCESSORY ITEM)
30
F1741
Деталь SCREW, PAN HD., 8-3/4
31
F1645
Деталь SCREW, RD. HD., SELF-TAPPING, 6 - 32 X 1/4
32
8177821
Деталь IGNITION KEY - NO LETTER OR STAMPED A
8178831
Деталь IGNITION KEY - STAMPED B
8178911
Деталь IGNITION KEY - STAMPED C
8179281
Деталь IGNITION KEY - STAMPED D
8179291
Деталь IGNITION KEY - STAMPED E
33
F660329
Деталь LANYARD, STOP SWITCH (CUP TYPE)
34
F702329
Деталь LANYARD, STOP SWITCH (FORK TYPE)
35
F17864
Деталь SWITCH W/WIRES
36
F17863
Деталь BUTTON PLATE KIT (INCLUDES RUBBER BOOT)
F5H198
Деталь REMOTE CONTROL COMPLETE - WIRED FOR POWER TRIM