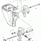
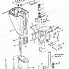
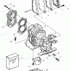
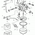
H0152S89A (1989)

Оригинальные запчасти для подвесных лодочных моторов Force

Выбор узла

H0152S89A (1989)